GM Service Manual Online
For 1990-2009 cars only
Makes
🢒
Cadillac
🢒
2007
🢒
Escalade EXT
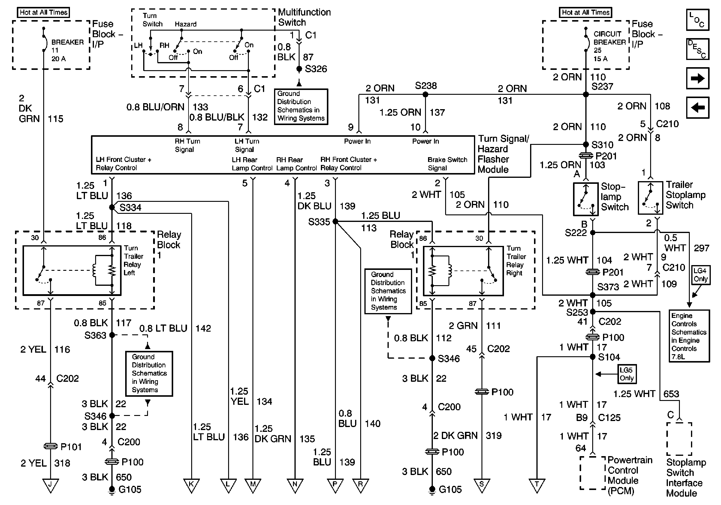
🢒 Hazard Flasher, Stop Lamps Switch-JE5
Hazard Flasher, Stop Lamps Switch-JE5
Hazard Flasher, Stop Lamps Switch-JE5
Master Electrical Component List
Exterior Lighting Systems Description and Operation
Hazard Flasher, Stop Lamps Switch-JE3
Exterior Lamps Switch and Relays
Trailer Wiring
Front and Rear Lighting, IP Indicators
Front and Rear Lighting, IP Indicators
Front and Rear Lighting, IP Indicators
Front and Rear Lighting, IP Indicators
Front and Rear Lighting, IP Indicators
Front and Rear Lighting, IP Indicators
Trailer Wiring
Trailer Stop Relay, ABS Relay
G105 Continued, S346, S347, S348, S363
G105 Continued, S346, S347, S348, S363
G105 Continued, S324, S326, S500
Stop Lamps Switches, ECM Engine Stop Relay, Glow Plugs