GM Service Manual Online
For 1990-2009 cars only
Makes
🢒
Cadillac
🢒
2007
🢒
Escalade EXT
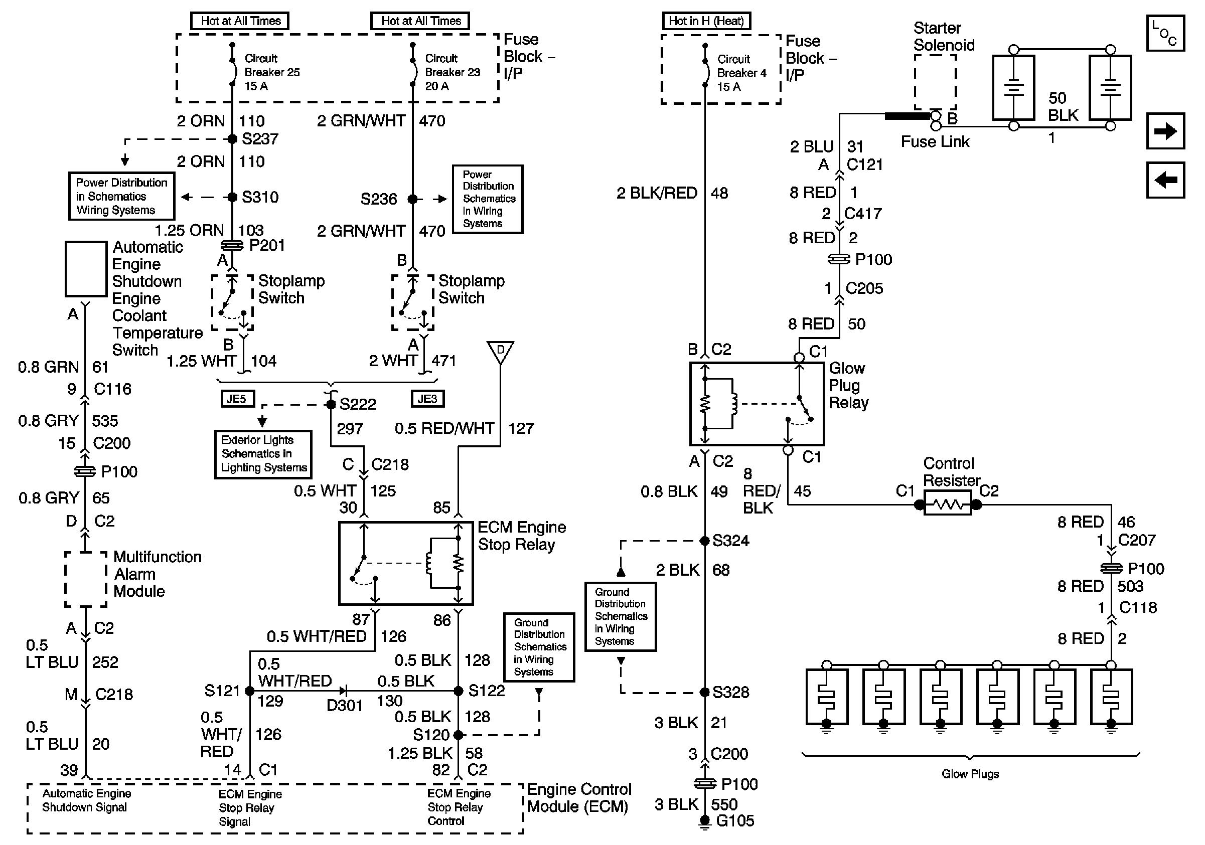
🢒 Stop Lamps Switches, ECM Engine Stop Relay, Glow Plugs
Stop Lamps Switches, ECM Engine Stop Relay, Glow Plugs
Stop Lamps Switches, ECM Engine Stop Relay, Glow Plugs
Master Electrical Component List
IP Cluster
Speedometer Adapter
IP Fuse Block, Circuit Breakers 22, 23, 24, 25, 26
Hazard Flasher, Stop Lamps Switch-JE5
IP Fuse Block, Circuit Breakers 22, 23, 24, 25, 26
Power and Ground, DLC
G407, Splice Pack 3, S120, S121, S122, S150, S242, S361
G105 Continued, S324, S326, S500