GM Service Manual Online
For 1990-2009 cars only
Makes
🢒
Cadillac
🢒
2007
🢒
Escalade EXT
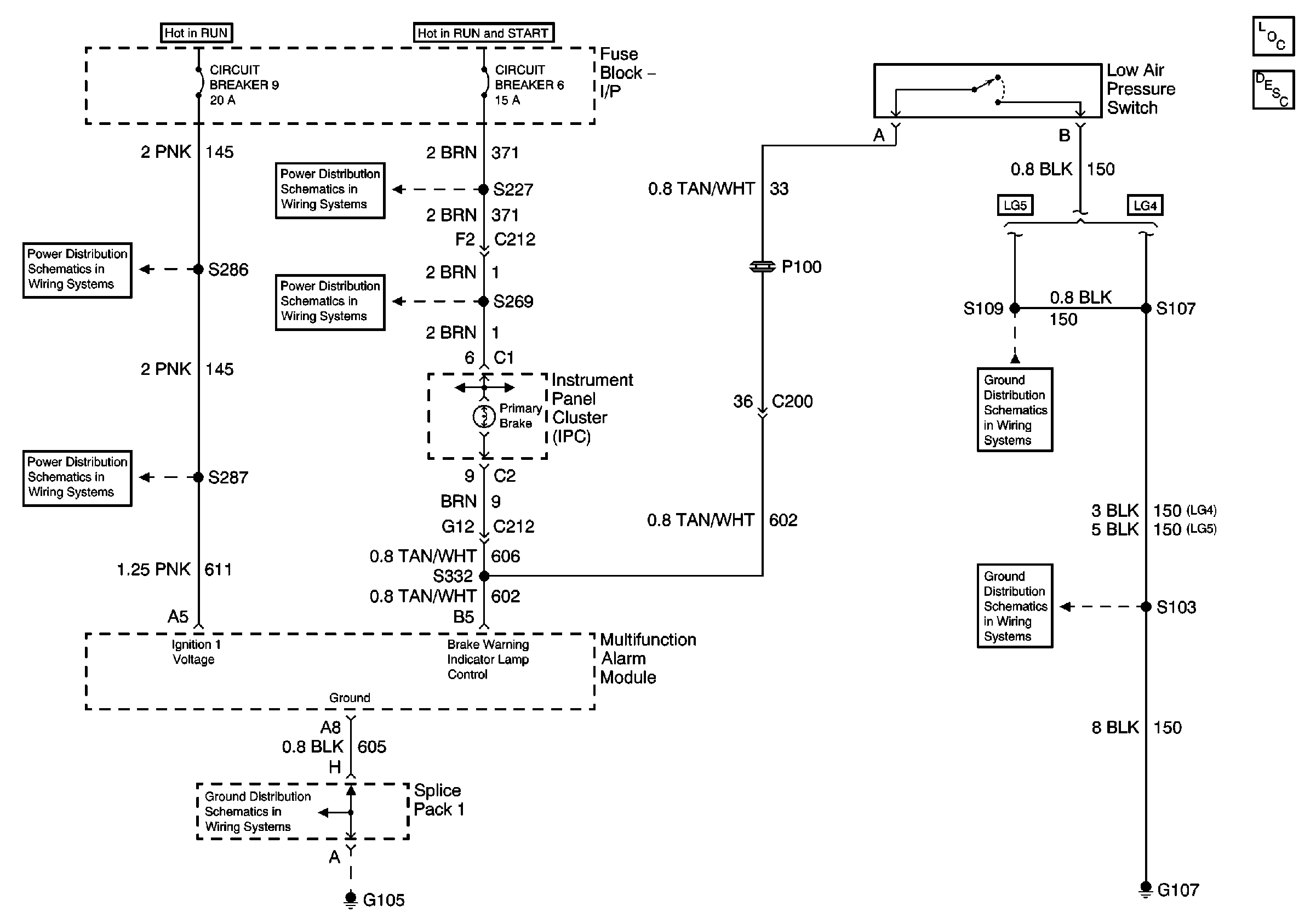
🢒 Air Brake Warning System Schematics
Air Brake Warning System Schematics
Master Electrical Component List
Brake Warning System Description and Operation
IP Fuse Block, Circuit Breaker 9 (1 of 3)
IP Fuse Block, Circuit Breaker 9 (1 of 3)
IP Fuse Block, Circuit Breaker 6 (1 of 3)
Circuit Breaker 6 (2 of 3)
G105 Continued, Splice Pack 1, Splice Pack 4, S450
G107 Continued, S109 (LG5 Only), S148, S423, S424
G107, S103