GM Service Manual Online
For 1990-2009 cars only
Makes
🢒
Cadillac
🢒
2007
🢒
Escalade EXT
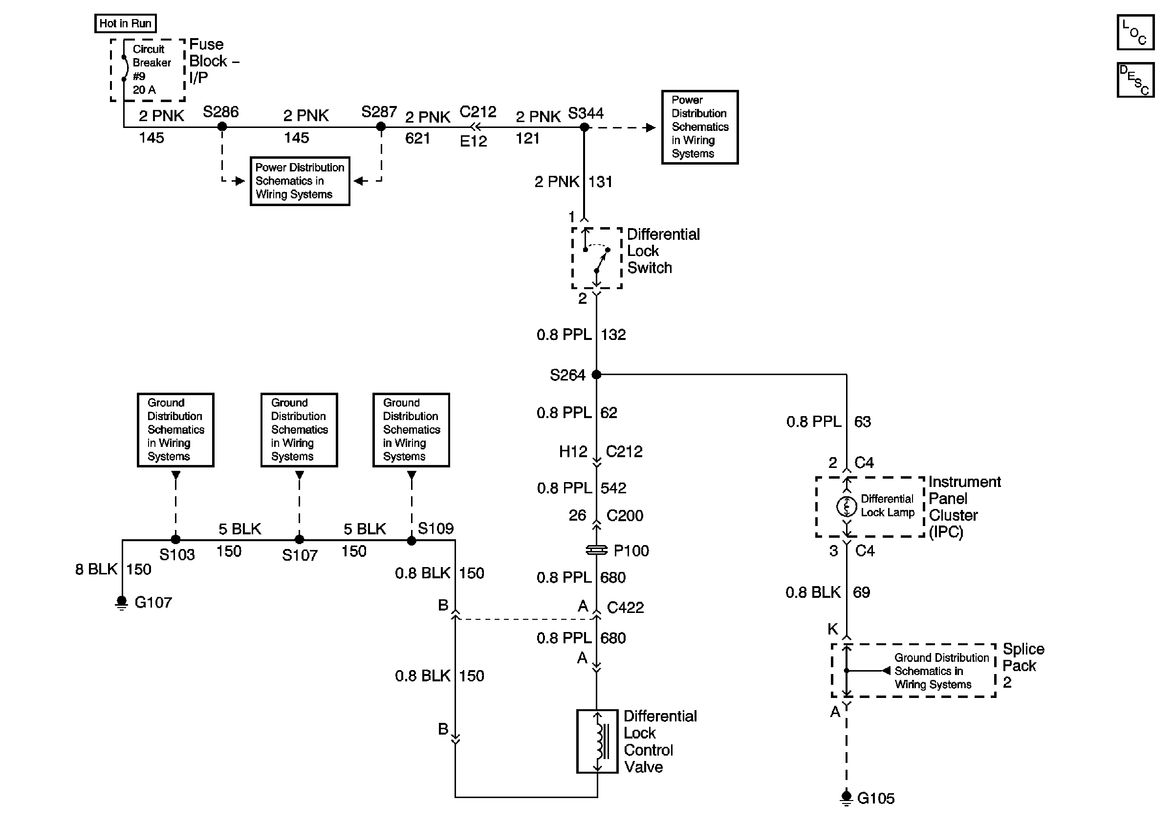
🢒 Rear Axle Control Schematics - Differential Lock Switch and Valve
Rear Axle Control Schematics - Differential Lock Switch and Valve
Master Electrical Component List
Differential Lock Description and Operation
IP Fuse Block, Circuit Breaker 9 (1 of 3)
Ground Distribution Schematics - G107, G108, S101, S103 and S105
Ground Distribution Schematics - S107
Interior Lights Dimming Schematic
Power Distribution System Schematics - FB I/P, Circuit Breaker 9
Ground Distribution Schematics - Splice Pack 2