GM Service Manual Online
For 1990-2009 cars only
Makes
🢒
Cadillac
🢒
2007
🢒
Escalade EXT
🢒 Engine Data Sensors-Pressure and Temperature
Engine Data Sensors-Pressure and Temperature
Engine Data Sensors - Pressure and Temperature
Master Electrical Component List
Powertrain Control Module Description
Engine Controls 3.1L (Engine Data Sensors)
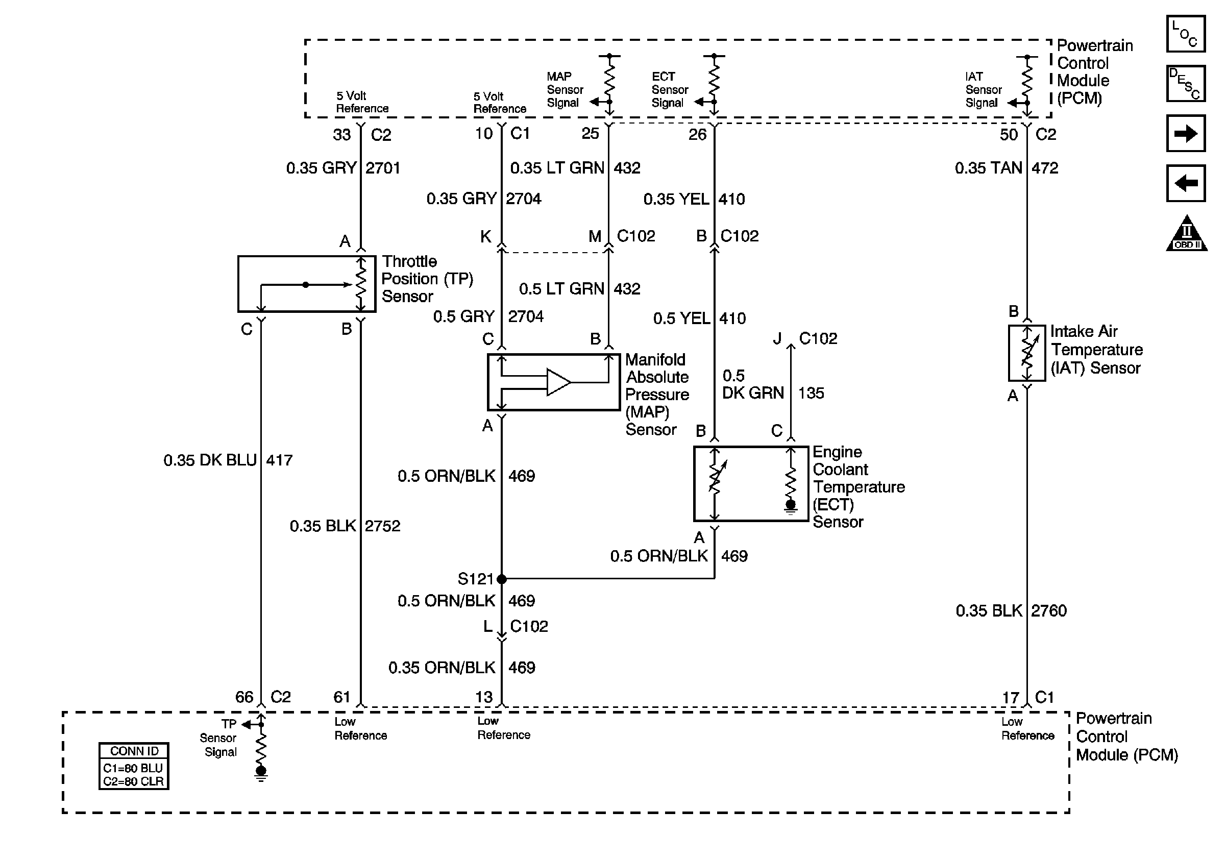
Engine Data Sensors-5-Volt and Low Reference
OBD II Symbol Description Notice