GM Service Manual Online
For 1990-2009 cars only
Makes
🢒
Cadillac
🢒
2007
🢒
Escalade EXT
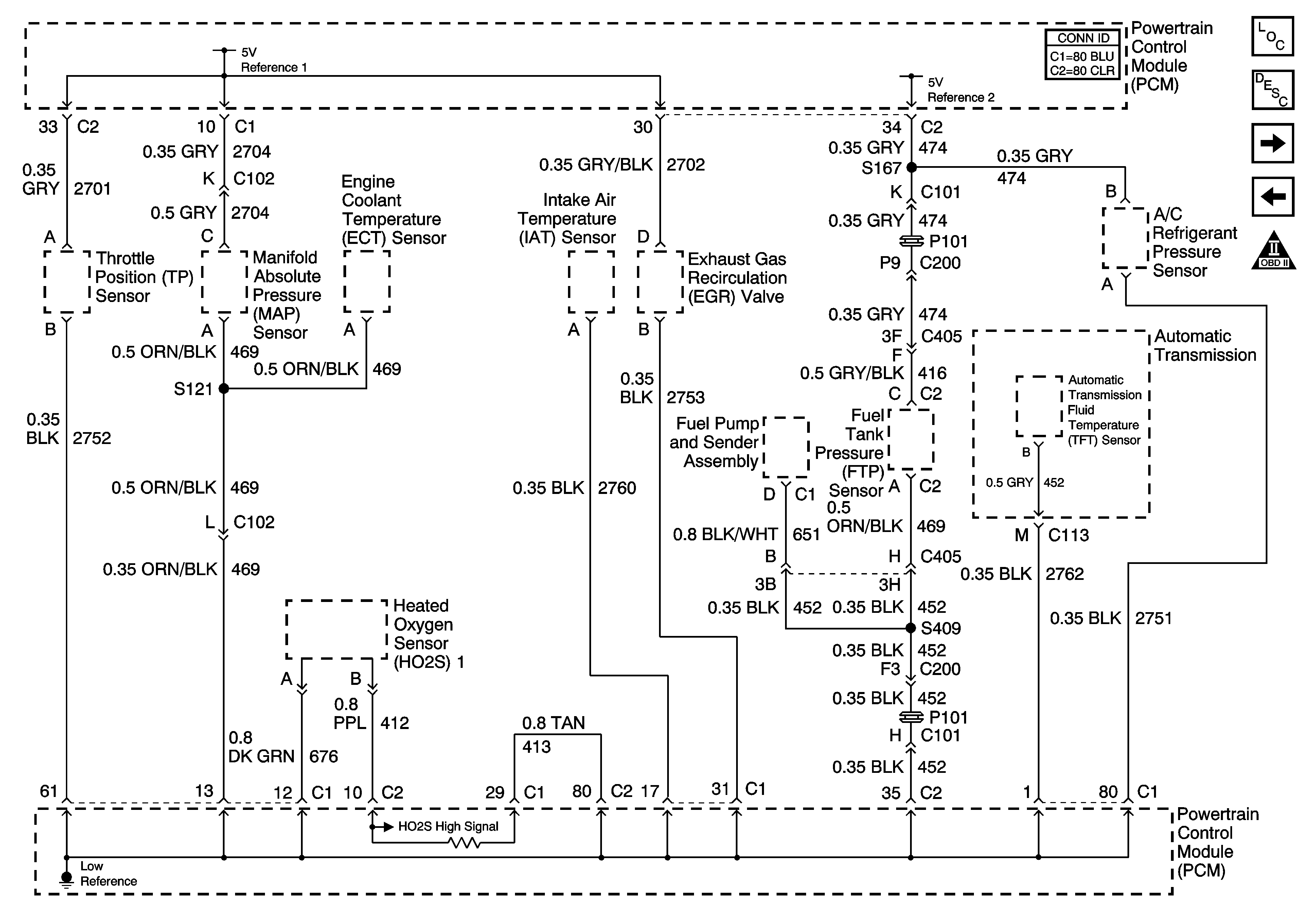
🢒 Engine Data Sensors-5-Volt and Low Reference
Engine Data Sensors-5-Volt and Low Reference
Engine Data Sensors - 5-Volt and Low Reference
Master Electrical Component List
Powertrain Control Module Description
Engine Data Sensors-Pressure and Temperature
Module Power, Ground, Serical Data, and MIL
OBD II Symbol Description Notice