GM Service Manual Online
For 1990-2009 cars only
Makes
🢒
Cadillac
🢒
2007
🢒
Escalade EXT
🢒 Engine Data Sensors
Engine Data Sensors
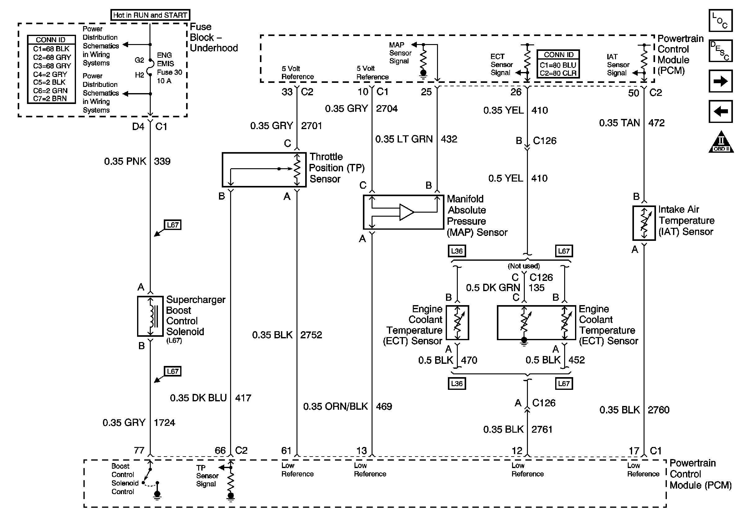
Engine Data Sensors -- Pressure and Temperature
Master Electrical Component List
Powertrain Control Module Description
Engine Data Sensors-MAF,VSS
Engine Data Sensors-5 Volt and Low Reference
OBD II Symbol Description Notice
Fuse Block Underhood Power Bussing (Page 1 of 2)
Stop, EVAP, MAF