GM Service Manual Online
For 1990-2009 cars only
Makes
🢒
Cadillac
🢒
2007
🢒
Escalade EXT
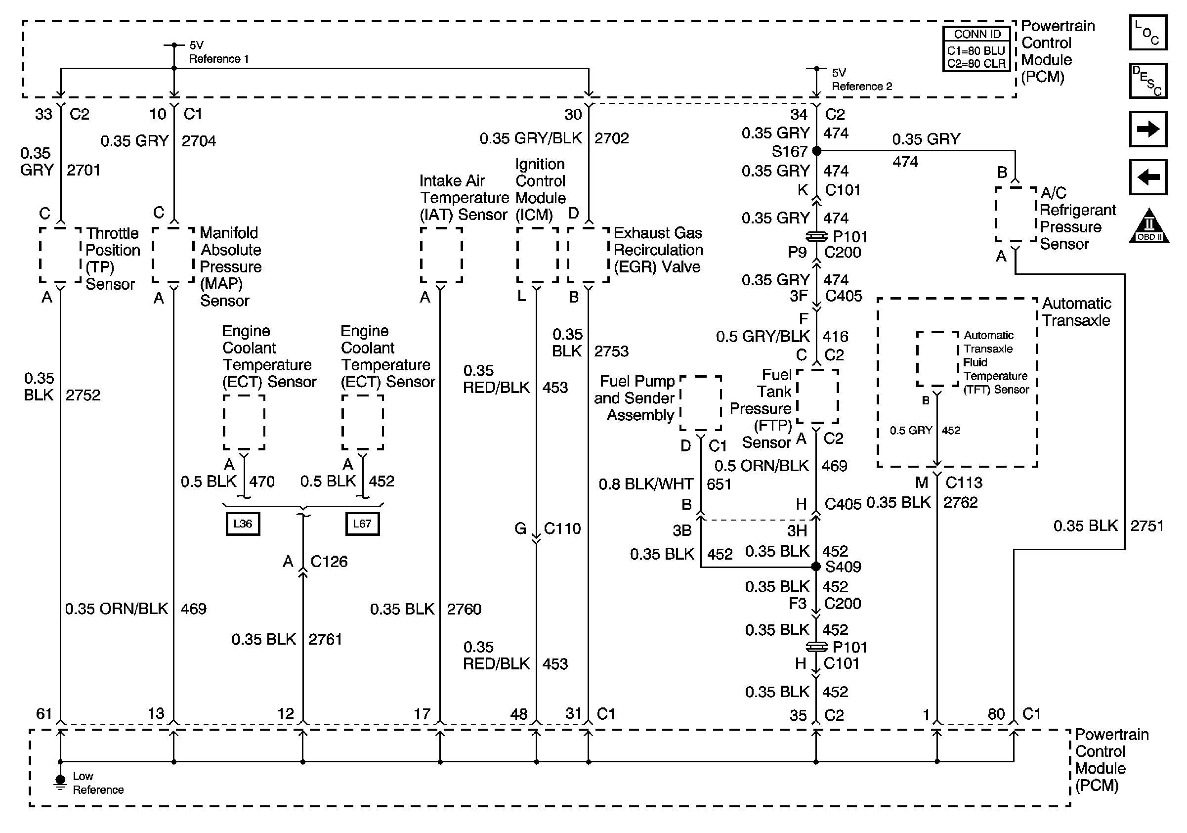
🢒 Engine Data Sensors-5 Volt and Low Reference
Engine Data Sensors-5 Volt and Low Reference
Engine Data Sensors -- 5 Volt and Low Reference
Master Electrical Component List
Powertrain Control Module Description
Engine Data Sensors
Power,Ground,DLC,and MIL
OBD II Symbol Description Notice