GM Service Manual Online
For 1990-2009 cars only
Makes
🢒
Cadillac
🢒
2007
🢒
Escalade EXT
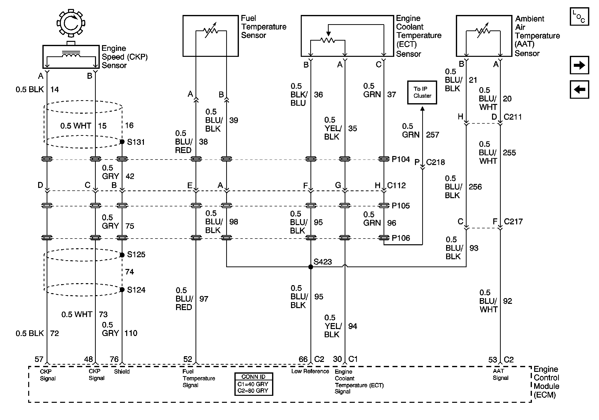
🢒 Engine Controls LG4 Schematics - CKP, Fuel Temp Sen, ECT, AAT and ECM
Engine Controls LG4 Schematics - CKP, Fuel Temp Sen, ECT, AAT and ECM
Engine Data Sensor - Temperature Sensors and Injection Timing Control
Master Electrical Component List
Engine Controls LG4 Schematics - Fast Idle SW, Clutch Pedel Positon SW
Engine Controls LG4 Schematics - APP, Fuel Pressure and CAM Sensors
Isuzu IPC System Schematics - Fuel, Temp, Oil Press and Chk Gages