GM Service Manual Online
For 1990-2009 cars only
Makes
🢒
Cadillac
🢒
2007
🢒
Escalade EXT
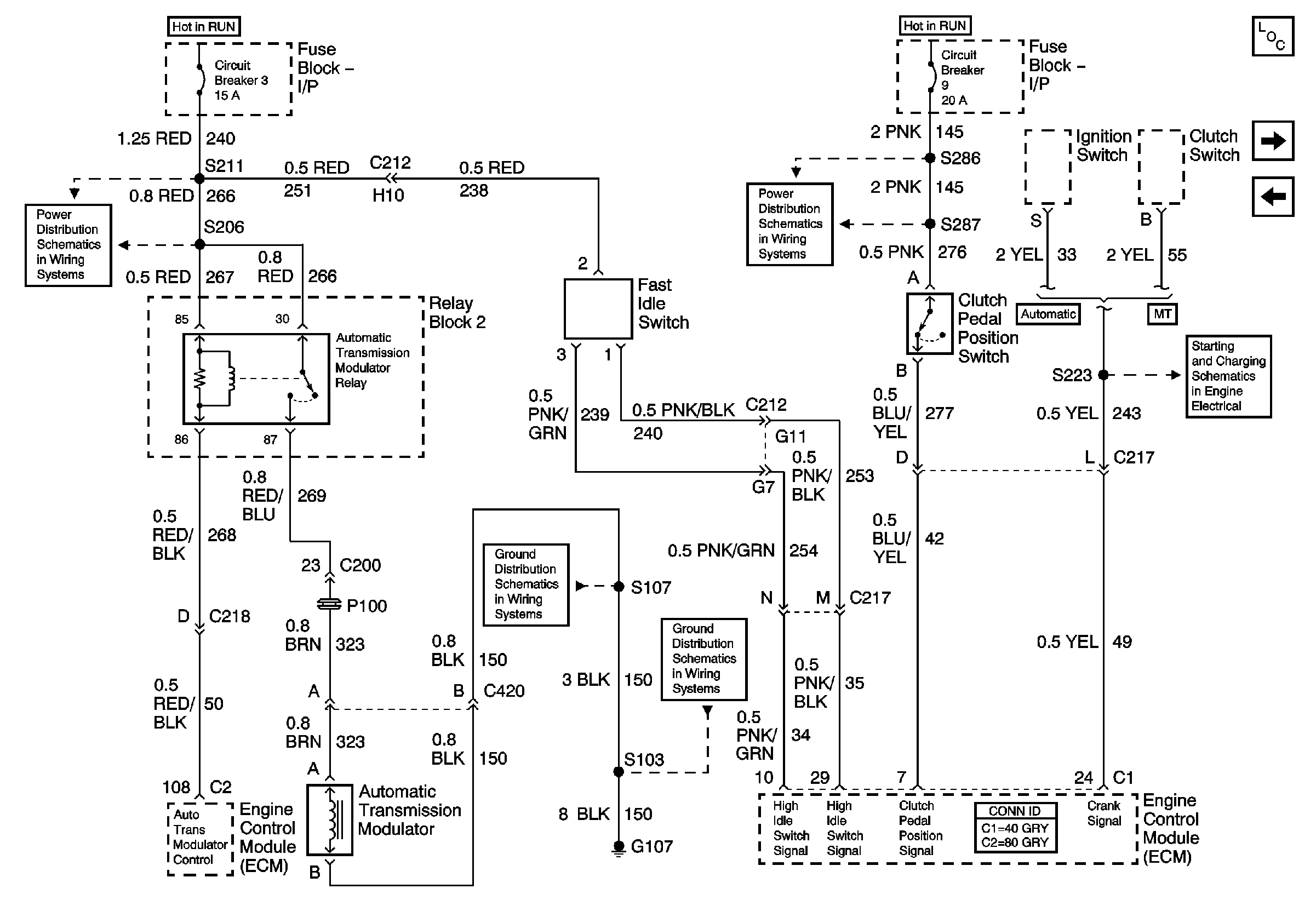
🢒 Engine Controls LG4 Schematics - Fast Idle SW, Clutch Pedel Positon SW
Engine Controls LG4 Schematics - Fast Idle SW, Clutch Pedel Positon SW
Engine Data Sensors - Fast Idle Switch
Master Electrical Component List
Engine Controls LG4 Schematics - Glow Plug Relay, Glow Plugs and ECM
Engine Controls LG4 Schematics - CKP, Fuel Temp Sen, ECT, AAT and ECM
Power Distribution System Schematics - Fuse Block I/P, C.B. 1, 2, 3
Ground Distribution Schematics - S107
Ground Distribution Schematics - G107, G108, S101, S103 and S105
Power Distribution System Schematics - FB I/P, Circuit Breaker 9
Engine Electrical System - Starting System LG4