GM Service Manual Online
For 1990-2009 cars only
Makes
🢒
Cadillac
🢒
2007
🢒
Escalade EXT
🢒 Automatic Transmission Schematics- TCM, Park Neutral Position SW, A/T
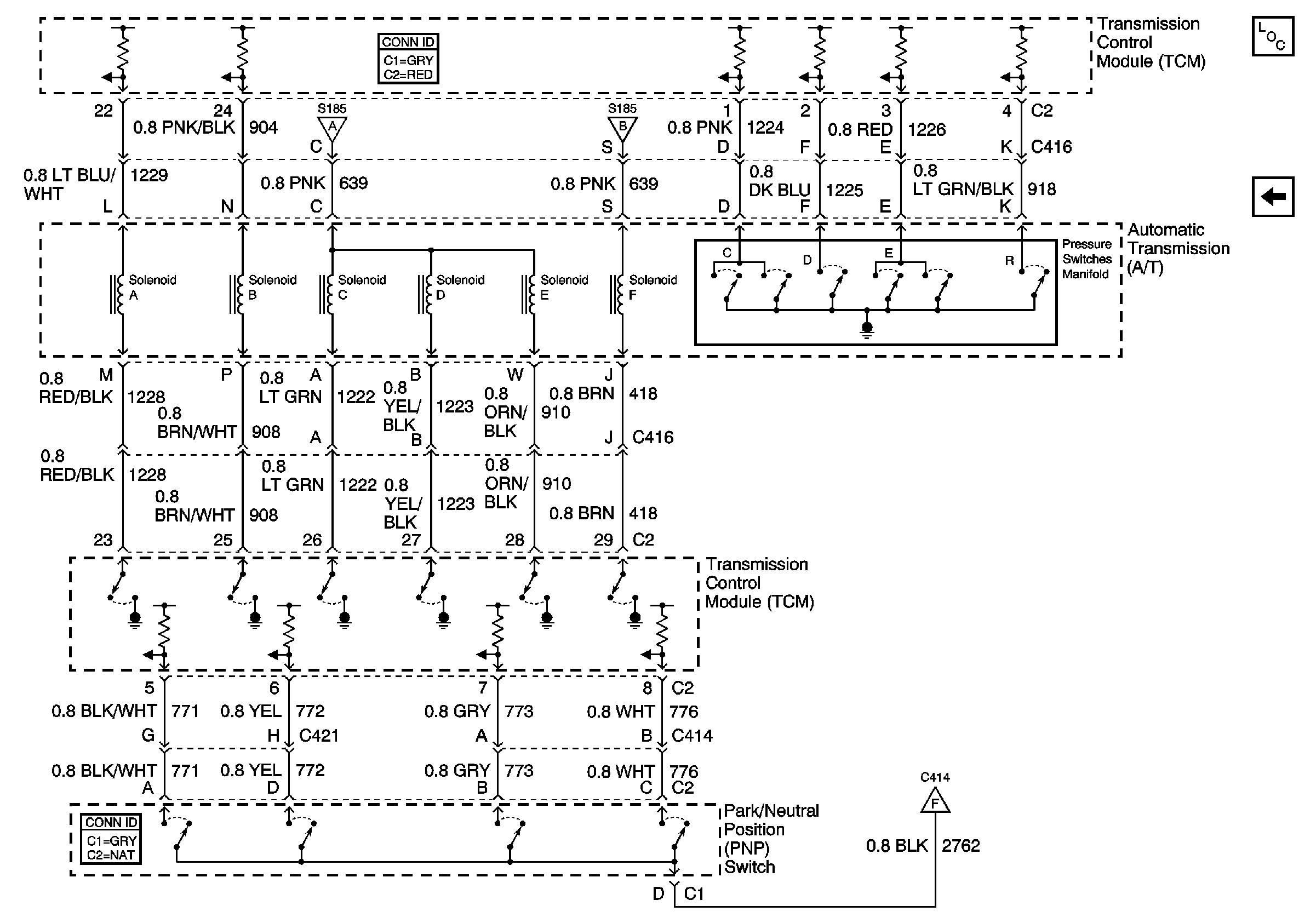
Automatic Transmission Schematics- TCM, Park Neutral Position SW, A/T
Internal Pressure Switches and Solenoids (MX4)
Master Electrical Component List
Automatic Transmission Schematics- Automatic Trans Modulator System
Automatic Transmission Schematics- Transmission Control Module
Automatic Transmission Schematics- Transmission Control Module
Automatic Transmission Schematics- TCM, ENG SP Sen, VSS and TSS