GM Service Manual Online
For 1990-2009 cars only
Makes
🢒
Cadillac
🢒
2007
🢒
Escalade EXT
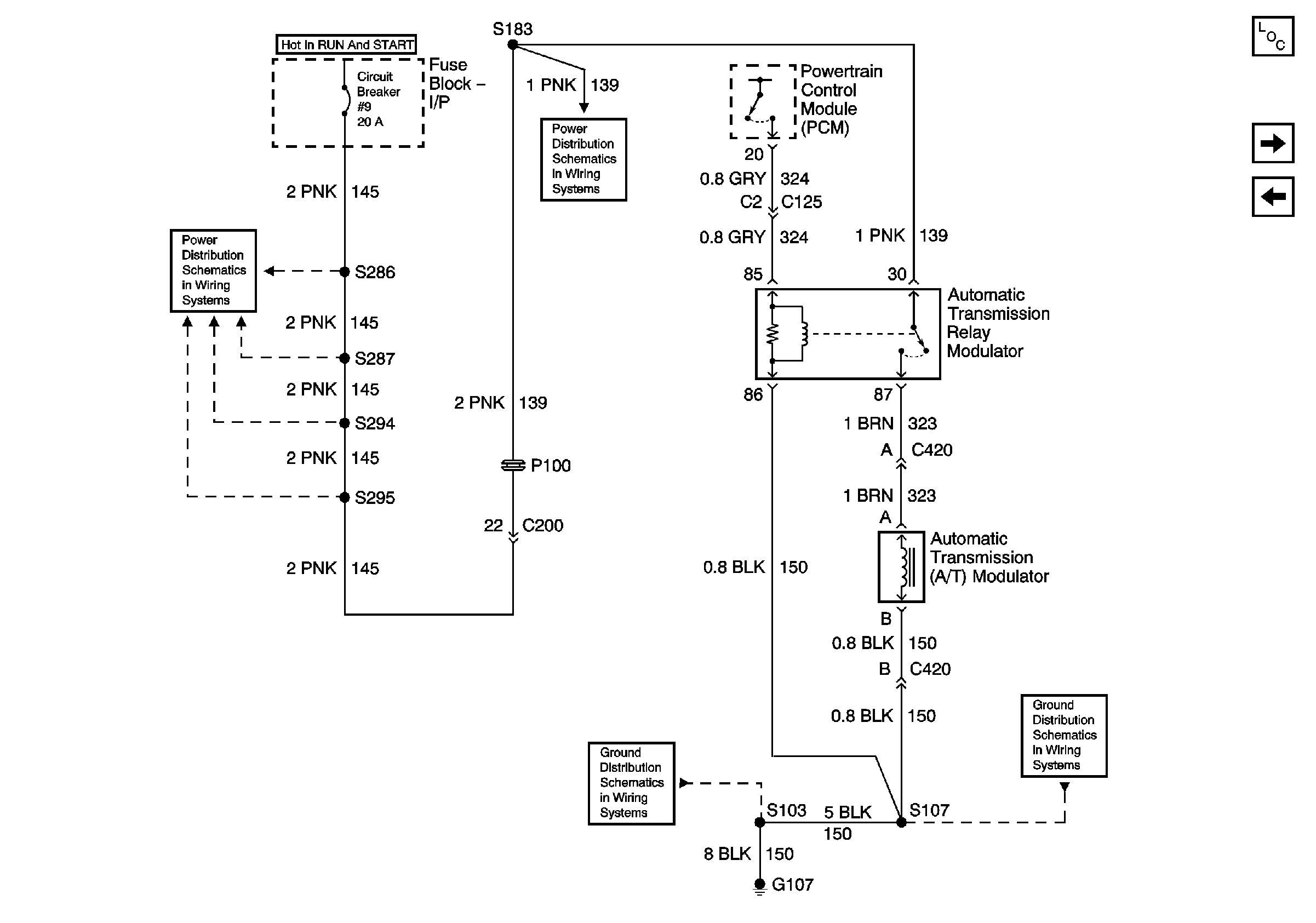
🢒 Automatic Transmission Schematics- Automatic Trans Modulator System
Automatic Transmission Schematics- Automatic Trans Modulator System
Automatic Transmission Modulator System
Master Electrical Component List
Automatic Transmission Schematics- TCM, Park Neutral Position SW, A/T
Automatic Transmission Schematics- TCM, PCM and Data Link Connector
Power Distribution System Schematics - FB I/P, Circuit Breaker 9
Power Distribution System Schematics - Feed from Circuit Breaker 9
Ground Distribution Schematics - G107, G108, S101, S103 and S105
Ground Distribution Schematics - S107