GM Service Manual Online
For 1990-2009 cars only
Makes
🢒
Cadillac
🢒
2007
🢒
Escalade EXT
🢒 Power, Ground, and PNP (Regal)
Power, Ground, and PNP (Regal)
Regal
Master Electrical Component List
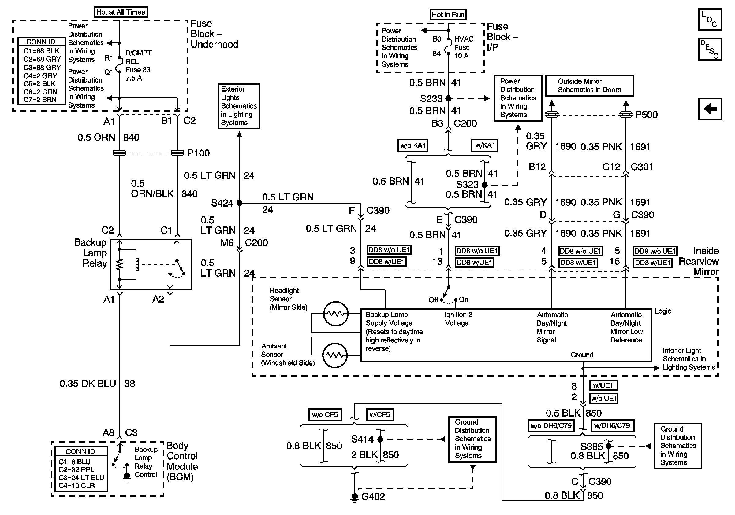
Inside Rearview Mirror Description and Operation
Century
Fuse Block Underhood Power Bussing (Page 1 of 2)
Headlamps, Generator
Back Up Lights (Regal)
Power Distribution Schematics (IGN 2)
Blower, Cruise, HVAC
Power Mirrors
Mirror, Dome, and Courtesy/Reading Lamps
G402 (Page 1 of 2)
G402 (Page 1 of 2)