GM Service Manual Online
For 1990-2009 cars only
Makes
🢒
Cadillac
🢒
2007
🢒
Escalade EXT
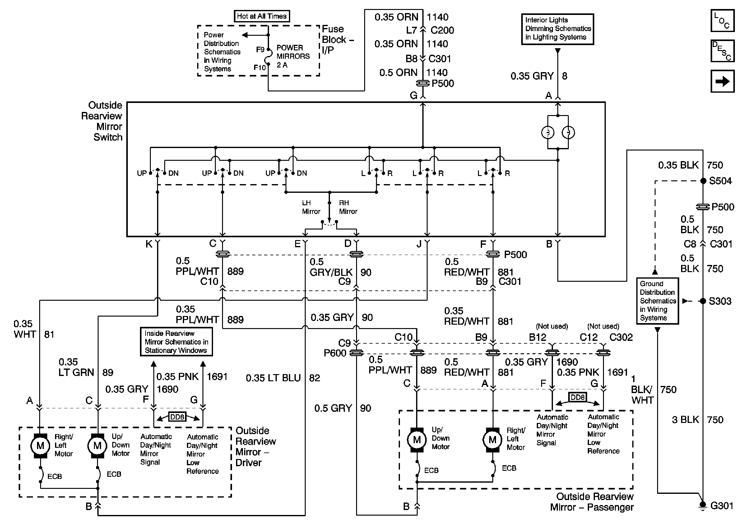
🢒 Power Mirrors
Power Mirrors
Power Mirrors
Master Electrical Component List
Outside Mirror Description and Operation
Heated Mirrors
Batt 2
Door and Seat Switches
Century
G301 (Page 1 of 2)