GM Service Manual Online
For 1990-2009 cars only
Makes
🢒
Cadillac
🢒
2007
🢒
Escalade EXT
🢒 Doors System Schematics - Heated Outside Mirrors
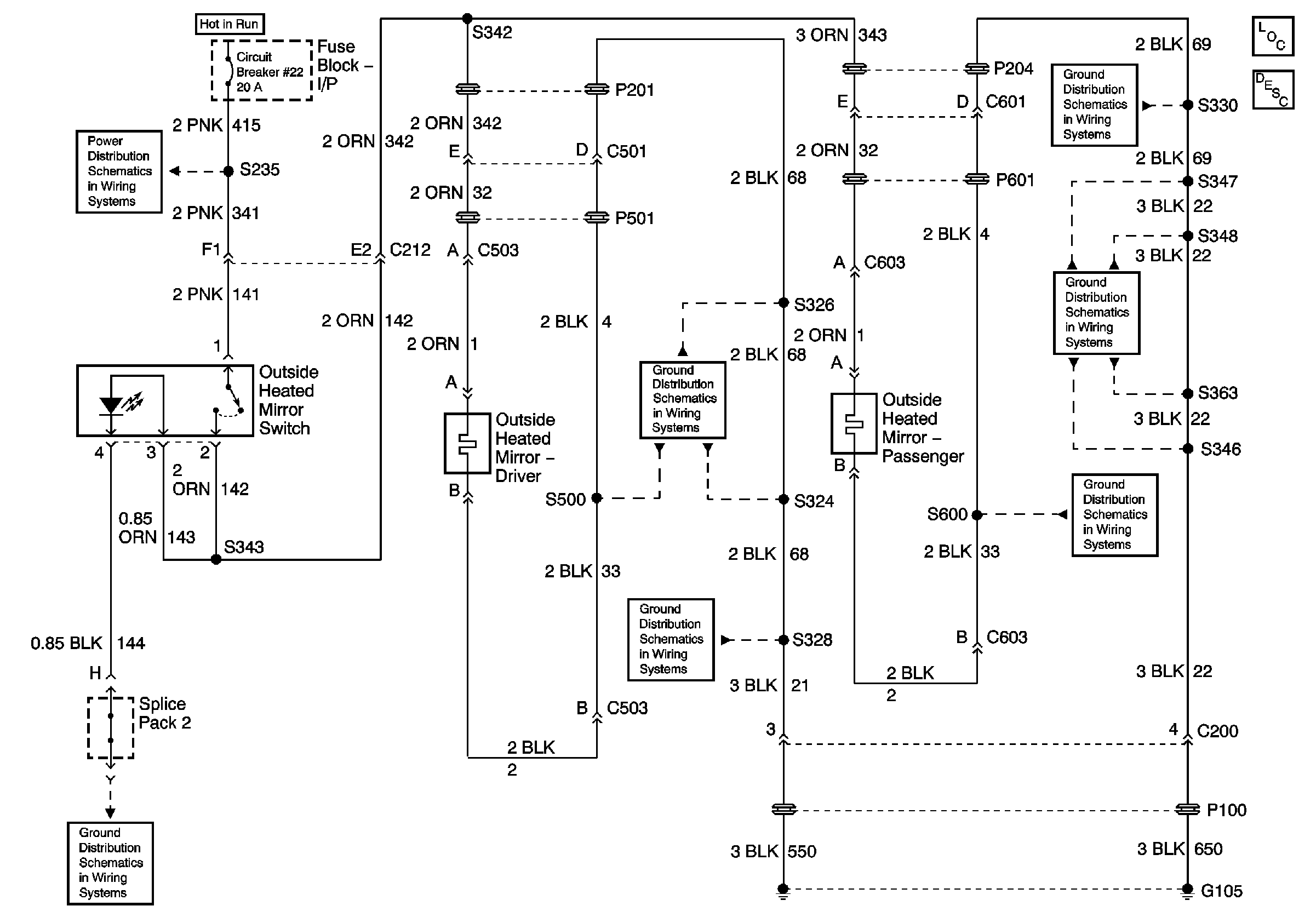
Doors System Schematics - Heated Outside Mirrors
Master Electrical Component List
Outside Mirror Description and Operation
Power Distribution System Schematics - FB I/P C.B. 20, 21, 22, 23
Ground Distribution Schematics - Splice Pack 2
Ground Distribution Schematics - S324, S326 and S500
Ground Distribution Schematics - G105, S325 and S328
Ground Distribution Schematics - S330, S345, S349, S359, S360 and S600
Ground Distribution Schematics - S346, S347, S348 and S363
Ground Distribution Schematics - S330, S345, S349, S359, S360 and S600