GM Service Manual Online
For 1990-2009 cars only
Makes
🢒
Cadillac
🢒
2008
🢒
Escalade EXT
🢒
Body Systems
🢒
Mirrors
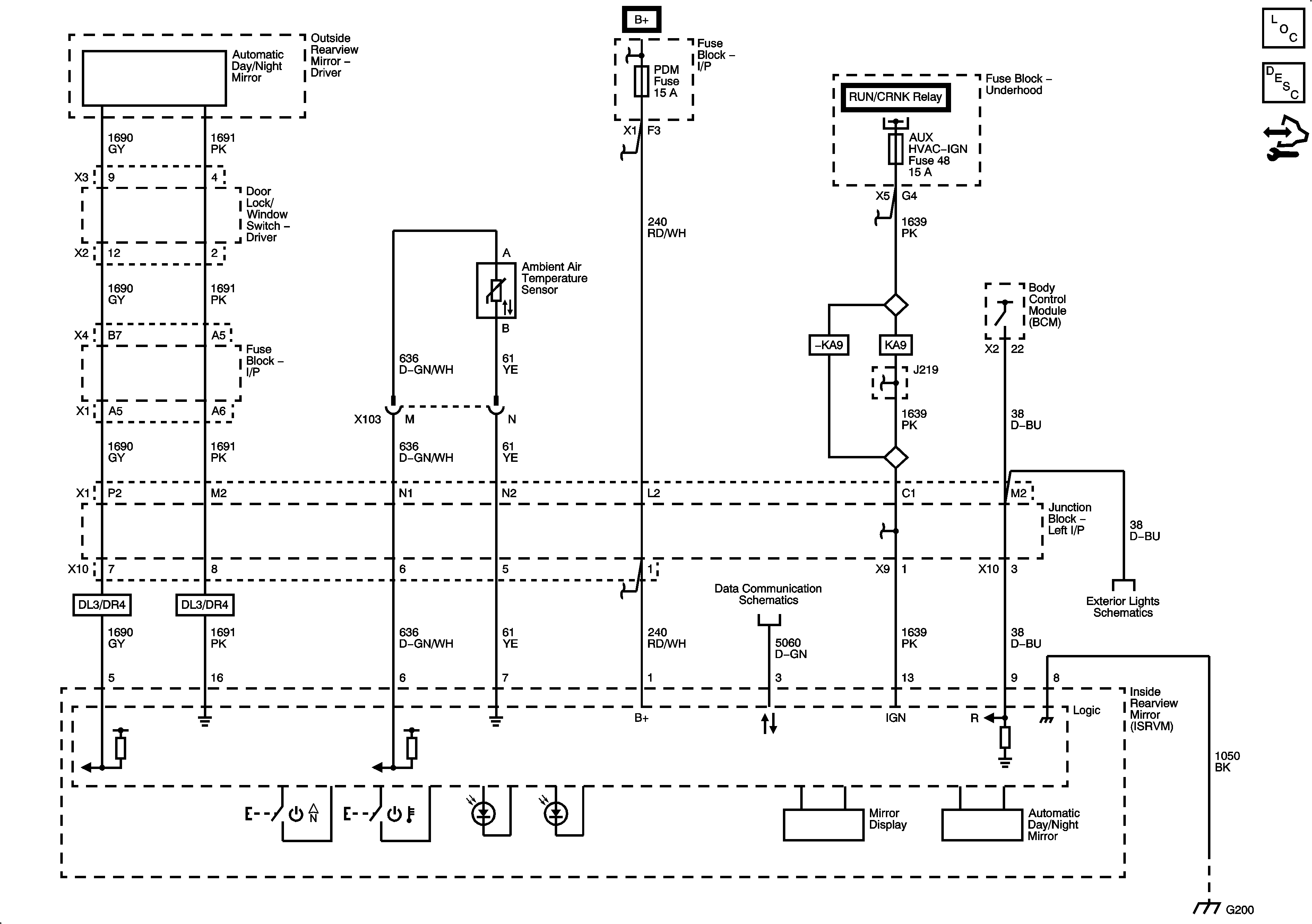
🢒 Inside Rearview Mirror Schematics
Master Electrical Component List
Automatic Day-Night Mirror Description and Operation
Control Module References
AUX PWR, AUX PWR 2, LBEC 2, PDM, and REAR WPR Fuses
RUN/CRANK Bus - AUX HVAC - IGN and HVAC - IGN Fuses
Low Speed Bus - JX200 - 2 of 3
Backup Lamps
G200 - 1 of 2