GM Service Manual Online
For 1990-2009 cars only
Makes
🢒
Cadillac
🢒
2008
🢒
Escalade EXT
🢒
Body Hardware and Trim
🢒
Interior Trim and Paneling
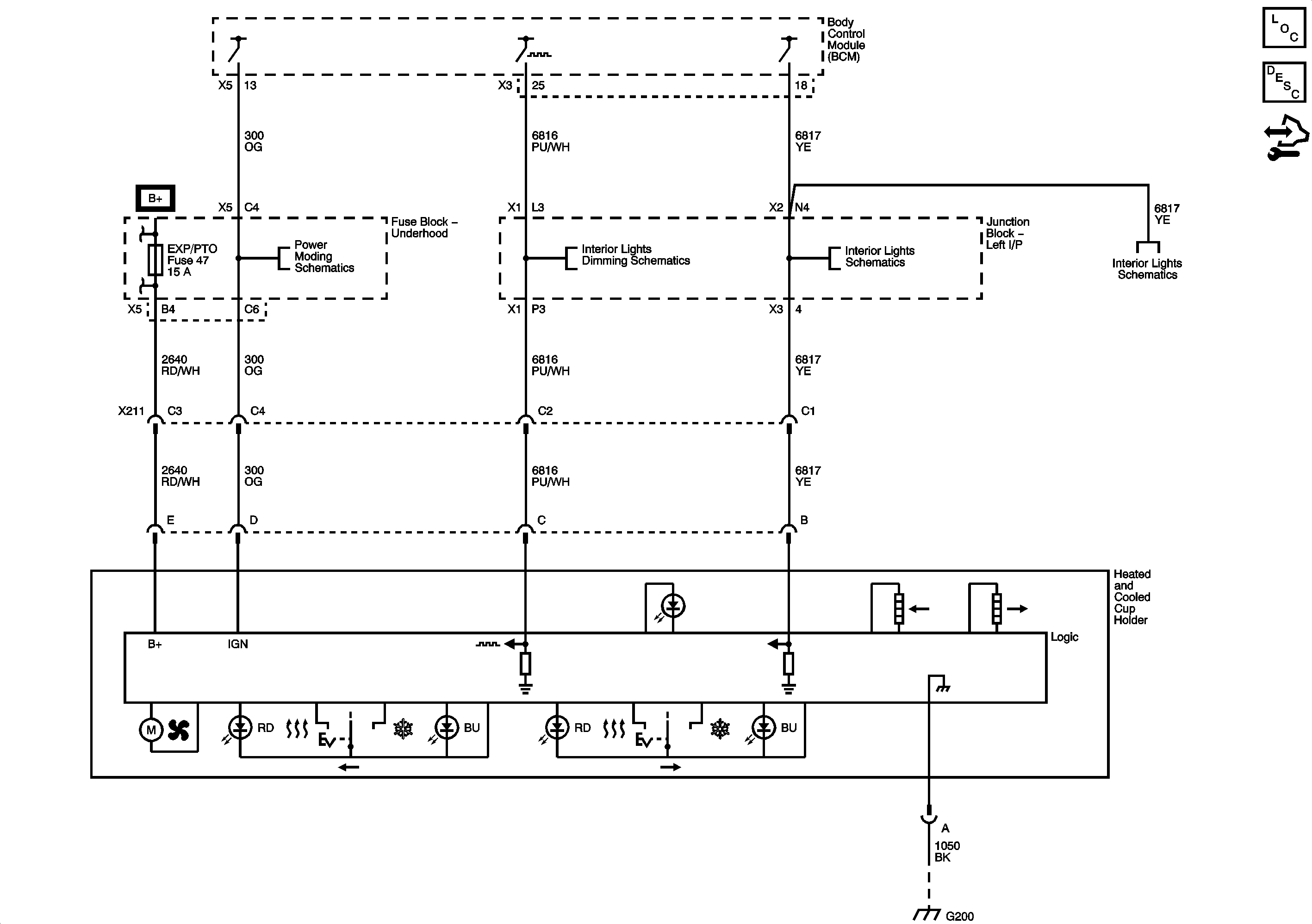
🢒 Heated/Cooled Cupholder Schematics
Heated and Cooled Cup Holder - ULT
AMP, ELEC RUN BOARD, ESC/ALC EXH, EXP/BRK MDL, and TREC Fuses
Ignition 3 and Accessory Voltage
LED Dimming - 3 of 3
Dimming Control and LED Dimming - 1 of 3
Dimming Control and LED Dimming - 1 of 3
G200 - 1 of 2