GM Service Manual Online
For 1990-2009 cars only
Makes
🢒
Cadillac
🢒
2008
🢒
Escalade EXT
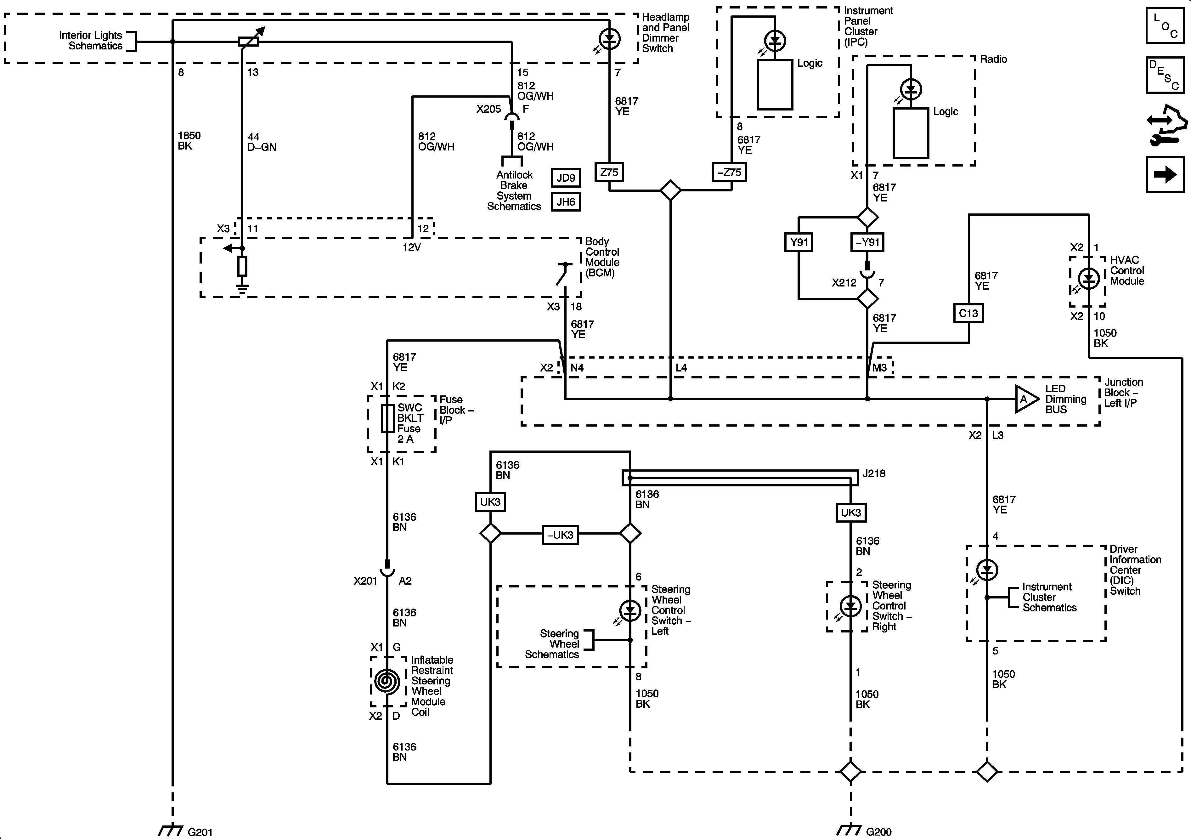
🢒 Dimming Control and LED Dimming - 1 of 3
Dimming Control and LED Dimming - 1 of 3
Dimming Control and LED Dimming - 1 of 3
Master Electrical Component List
Interior Lighting Systems Description and Operation
Control Module References
LED Dimming - 2 of 3
Module Power, Ground, and Serial Data, Pump Motor and Brake Switch - JD9 Under 8600 GVW
Module Power, Ground and Serial Data, Pump Motor and Brake Switch - JH6 Over 8600 GVW
LED Dimming - 2 of 3
G201
Heated Steering Wheel (KA9)