GM Service Manual Online
For 1990-2009 cars only
Makes
🢒
Cadillac
🢒
2008
🢒
Escalade EXT
🢒
Steering
🢒
Power Steering
🢒 Power Steering Schematics
Hybrid Power Steering System
Master Electrical Component List
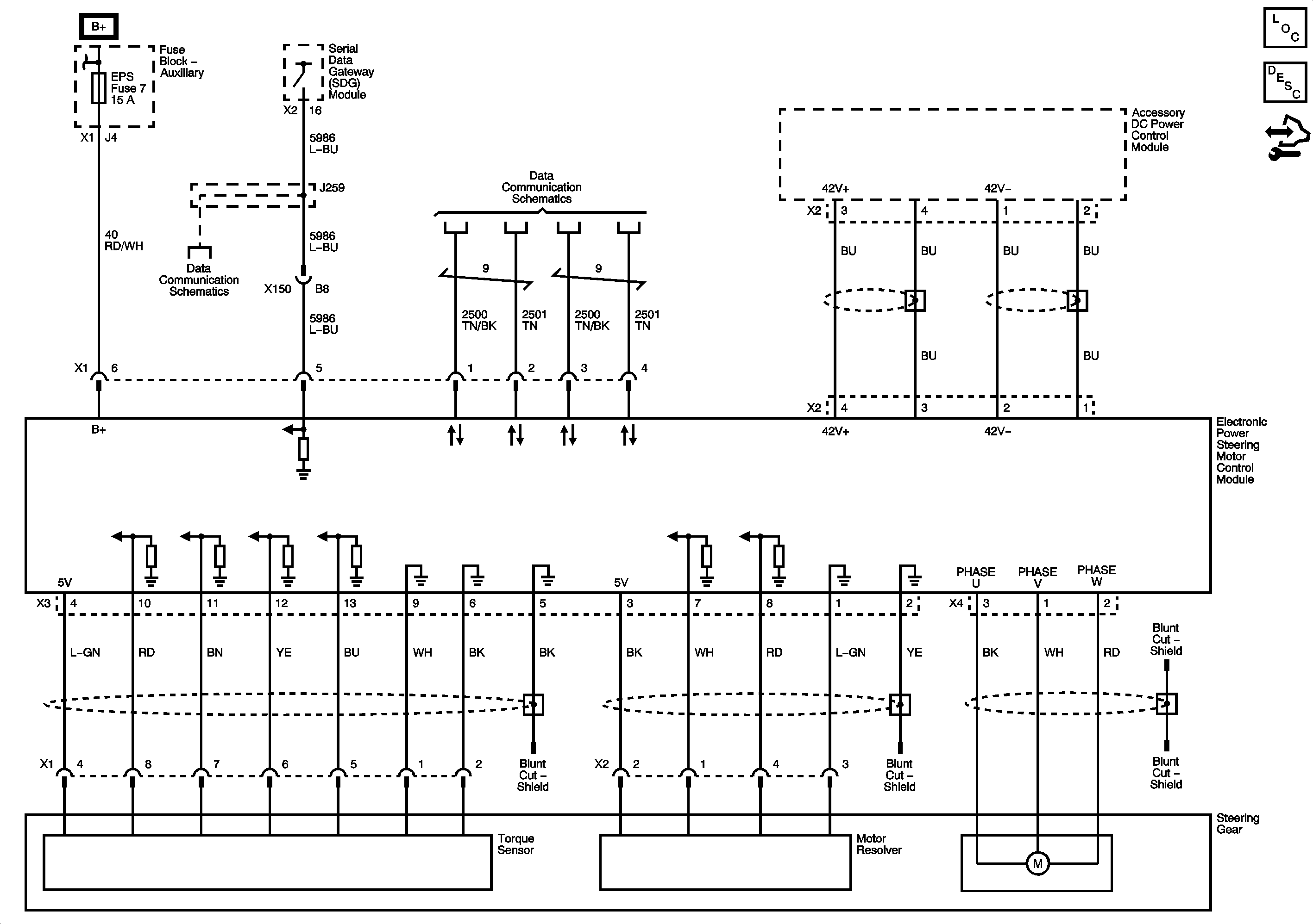
Power Steering System Description and Operation (EPS)
Control Module References
ACCM, ACPO, BECM, BECM FAN, CAB HTR PUMP, COOL PUMP, EPS, PIM 1 and PIM 2 Fuses
High Speed Bus (HP2)
Serial Data Communication Enable and Wake-up Circuits