GM Service Manual Online
For 1990-2009 cars only
Makes
🢒
Cadillac
🢒
2008
🢒
Escalade EXT
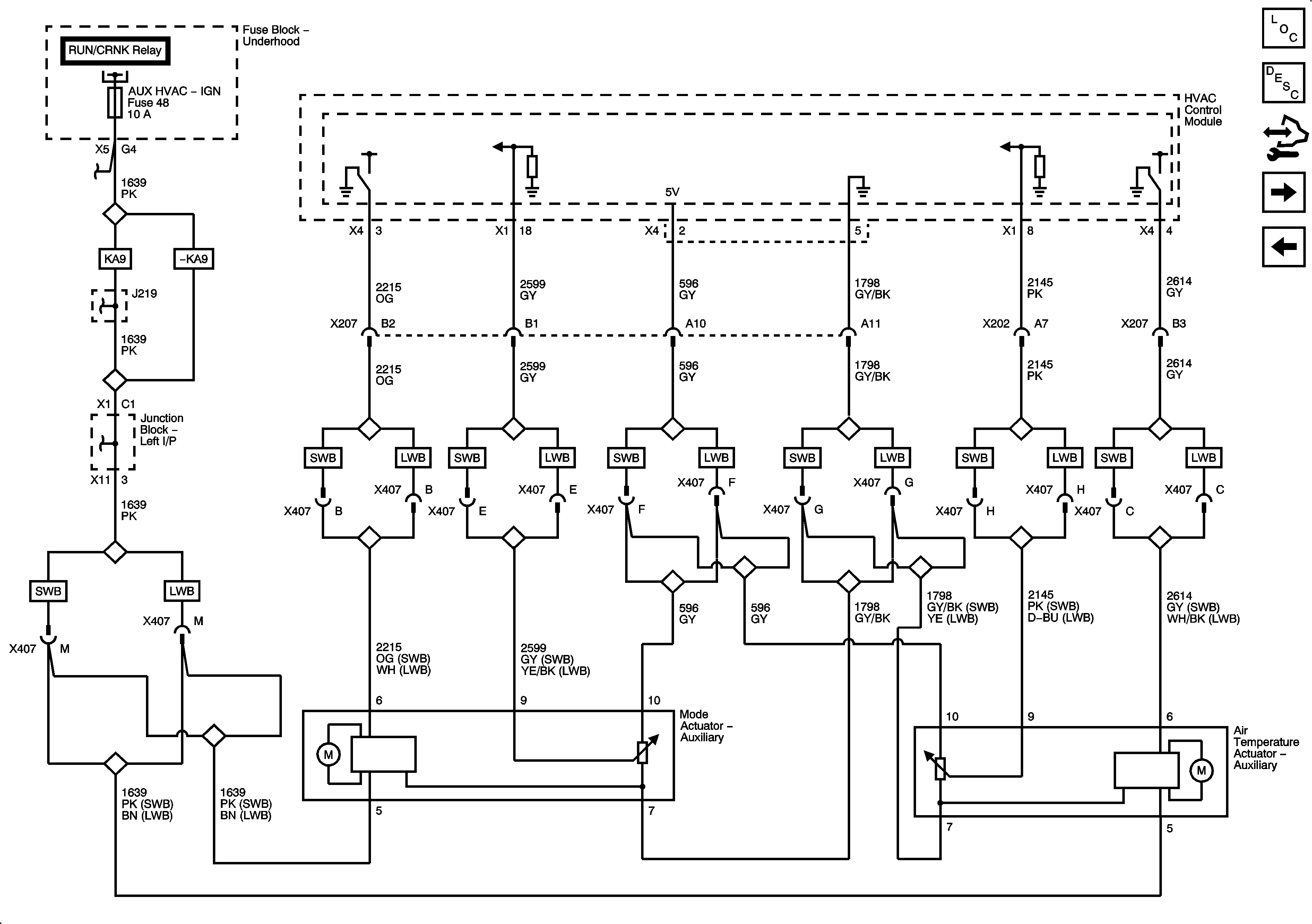
🢒 Auxiliary Temperature Controls
Auxiliary Temperature Controls
Auxiliary Temperature Controls
Master Electrical Component List
Air Temperature Description and Operation
Control Module References
A/C Compressor Controls
Auxiliary Blower Controls
RUN/CRANK Bus - AUX HVAC - IGN and HVAC - IGN Fuses