GM Service Manual Online
For 1990-2009 cars only
Makes
🢒
Cadillac
🢒
2008
🢒
Escalade EXT
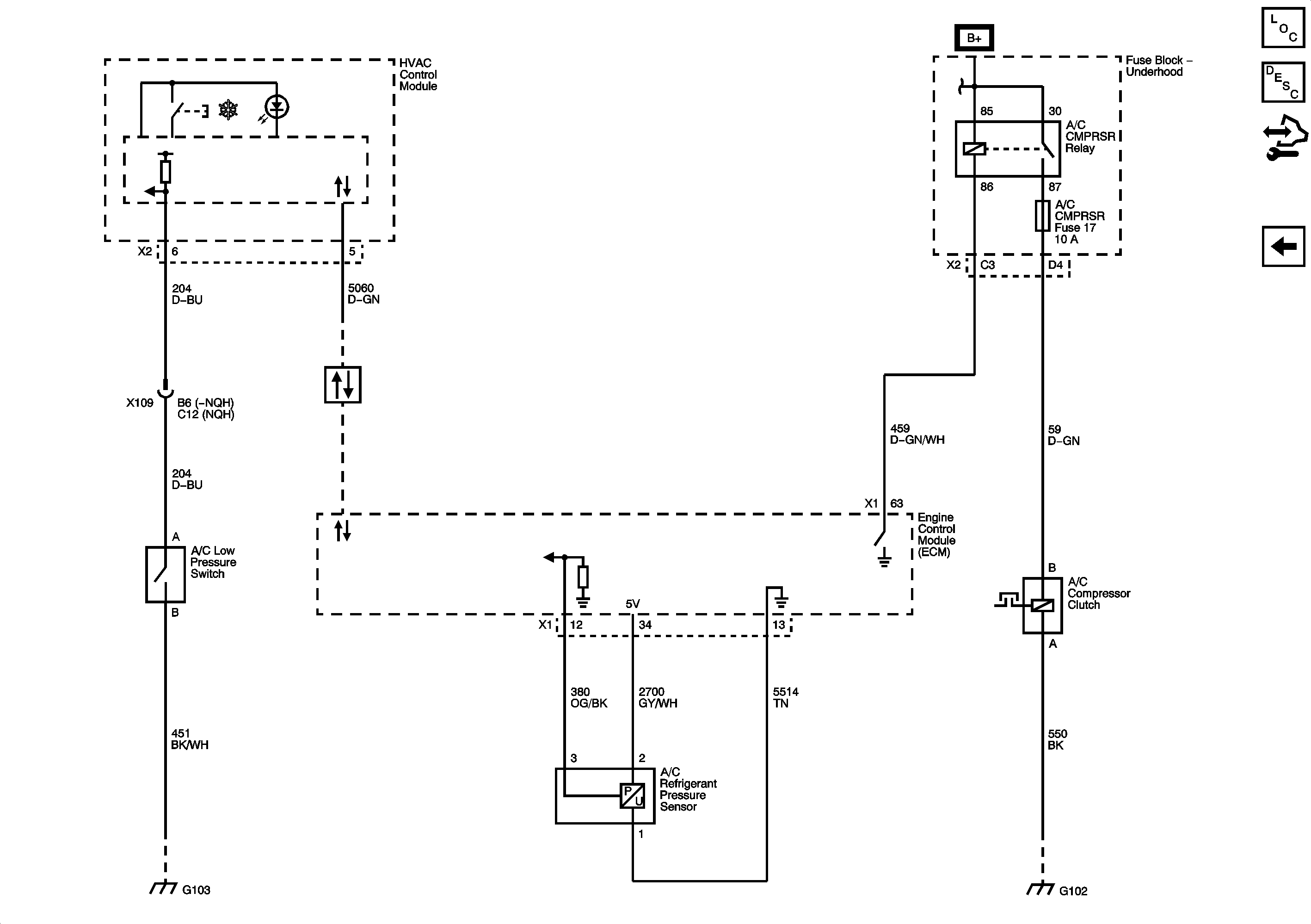
🢒 A/C Compressor Controls
A/C Compressor Controls
A/C Compressor Controls
Master Electrical Component List
Air Temperature Description and Operation
Control Module References
Auxiliary Temperature Controls
G103, G110 and G111
Data Communication Schematics
A/C CMPRSR, FRT WASH, FUEL PUMP, HORN, and REAR DEFOG and REAR WASH Fuses
G103, G110 and G111
G102, G104, and G108