GM Service Manual Online
For 1990-2009 cars only
Makes
🢒
Cadillac
🢒
2008
🢒
Escalade EXT
🢒 Left
Left
Left
Master Electrical Component List
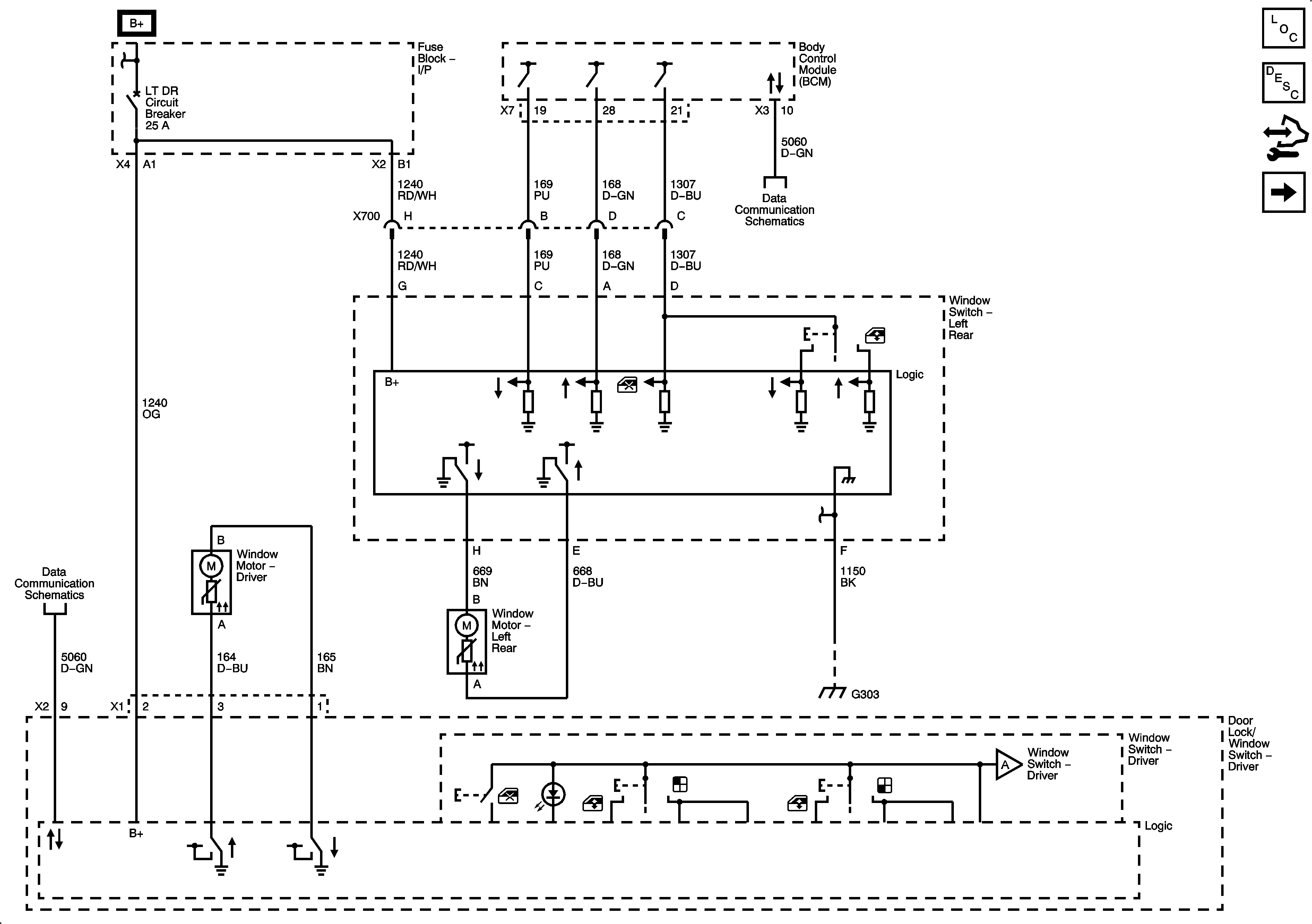
Power Windows Description and Operation
Control Module References
Right
IS LAMPS, LT STOP TRN, OBS DET, REAR SEAT, and STOP LAMPS Fuses and LT DR Circuit Breaker
Low Speed Bus - JX200 - 2 of 3
Low Speed Bus - JX200 - 1 of 3
G303, G304, and G305
Right