GM Service Manual Online
For 1990-2009 cars only
Makes
🢒
Cadillac
🢒
2008
🢒
Escalade EXT
🢒 Right
Right
Right
Master Electrical Component List
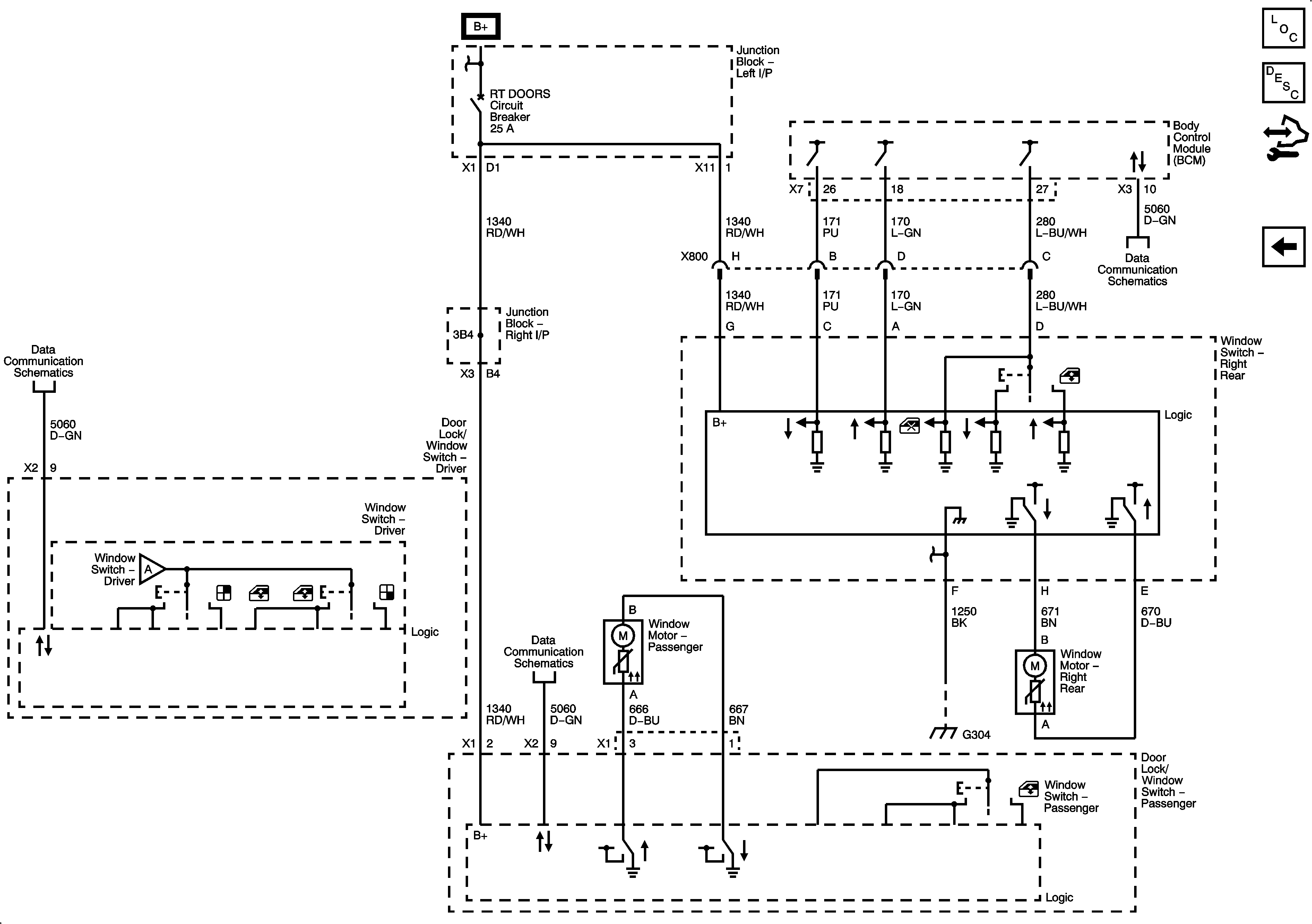
Power Windows Description and Operation
Control Module References
Left
Low Speed Bus - JX200 - 1 of 3
BCM, COOLED SEATS, CTSY, DDM, DIM, DSM, LBEC 1, MBEC 1, REAR HVAC, and RT STOP TRN Fuses and DRIVER SEAT 2, PASS SEAT 1, and RT DOORS Circuit Breakers
Low Speed Bus - JX200 - 1 of 3
G303, G304, and G305
Low Speed Bus - JX200 - 2 of 3
Left