GM Service Manual Online
For 1990-2009 cars only
Makes
🢒
Cadillac
🢒
2008
🢒
SLS
🢒 Tail Lamps, Rear Side Marker Lamps - Domestic
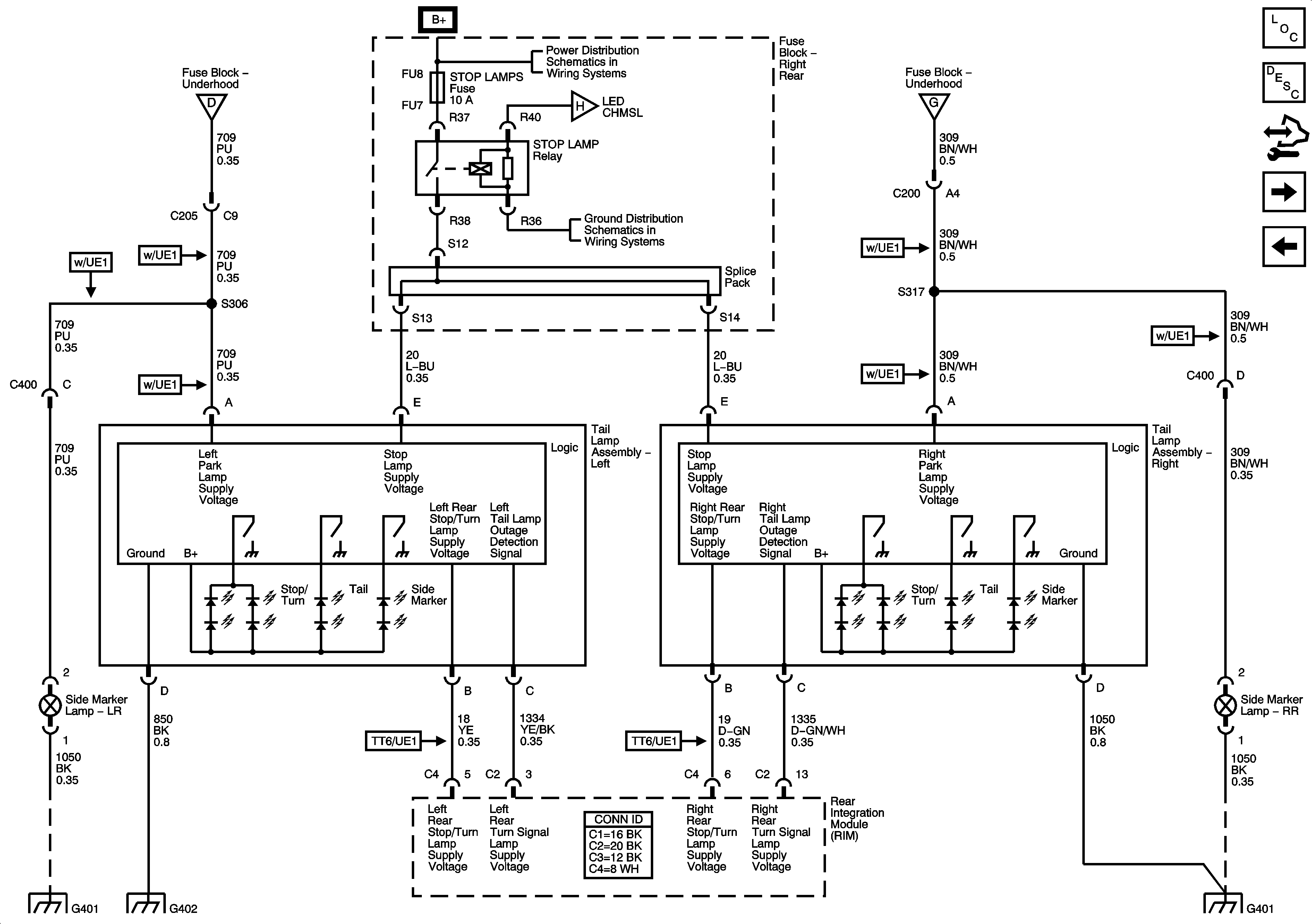
Tail Lamps, Rear Side Marker Lamps - Domestic
Tail Lamps - Domestic
Master Electrical Component List
Exterior Lighting Systems Description and Operation
Control Module References
Backup Lamps, CHMSL - Domestic and Export
License, Park and Front Side Marker Lamps - Domestic
Park Lamp Relay, Switch and Instrument Cluster - Domestic
Fuse Block Right Rear Bussing
Backup Lamps, CHMSL - Domestic and Export
G401 (1 of 2)
Park Lamp Relay, Switch and Instrument Cluster - Domestic
G401 (2 of 2)
G402 (1 of 2)
G401 (2 of 2)