GM Service Manual Online
For 1990-2009 cars only
Makes
🢒
Cadillac
🢒
2008
🢒
SLS
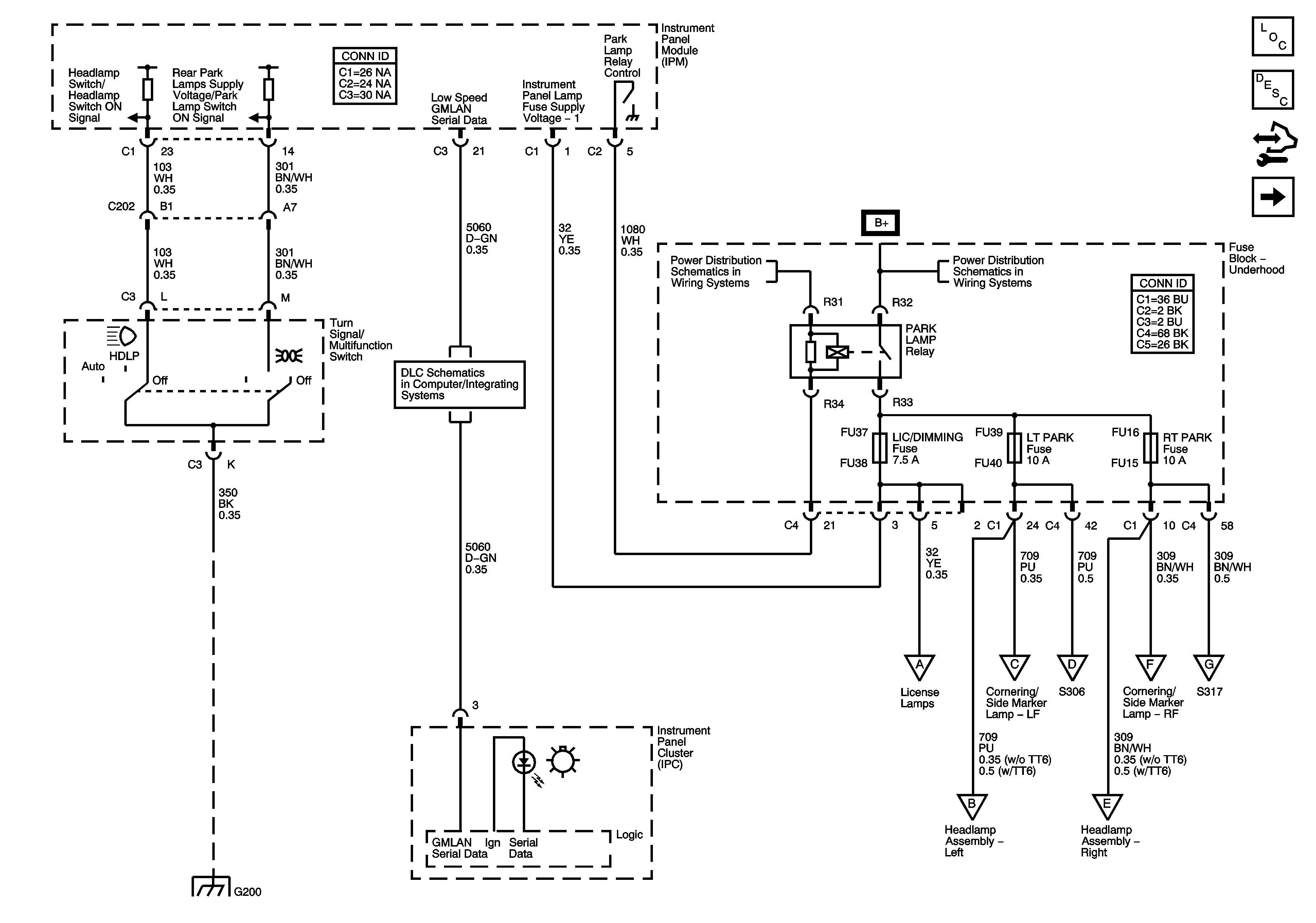
🢒 Park Lamp Relay, Switch and Instrument Cluster - Domestic
Park Lamp Relay, Switch and Instrument Cluster - Domestic
Park Lamp Relay, Switch, and Instrument Cluster - Domestic
Master Electrical Component List
Exterior Lighting Systems Description and Operation
Control Module References
License, Park and Front Side Marker Lamps - Domestic
GMLAN Low Speed (2 of 2)
Fuse Block Underhood Relays/Fuses: Park Lamp Relay, RT Park Fuse, Tilt/LK/LMP/CLM Relay Coils Fuse
Fuse Block Underhood Relays/Fuses: Park Lamp Relay, RT Park Fuse, Tilt/LK/LMP/CLM Relay Coils Fuse
G200 (2 of 2)
License, Park and Front Side Marker Lamps - Domestic
License, Park and Front Side Marker Lamps - Domestic
License, Park and Front Side Marker Lamps - Domestic
License, Park and Front Side Marker Lamps - Domestic
License, Park and Front Side Marker Lamps - Domestic
Tail Lamps, Rear Side Marker Lamps - Domestic