GM Service Manual Online
For 1990-2009 cars only
Makes
🢒
Cadillac
🢒
2008
🢒
SLS
🢒 Power and Ground
Power and Ground
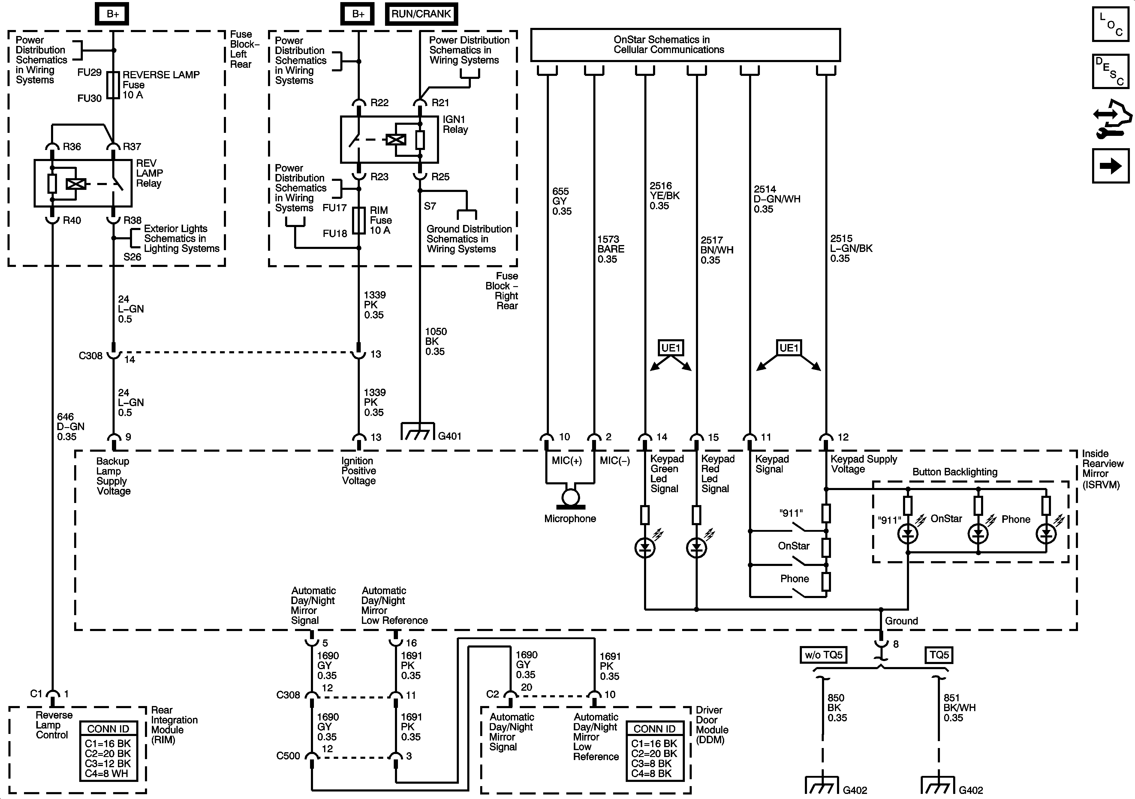
Inside Rearview Mirror (ISRVM), Power and Ground
Master Electrical Component List
Automatic Day-Night Mirror Description and Operation
Control Module References
Automatic Headlamp Dimming Signals, VSS (TT6)
Fuse Block Left Rear Bussing
Fuse Block Right Rear Bussing
Ignition Mode Switch
Power, Ground, VCIM, ISRVM
Fuse Block Right Rear Bussing
Backup Lamps, CHMSL - Domestic and Export
G401 (1 of 2)
G401 (2 of 2)
G402 (1 of 2)
G402 (2 of 2)