GM Service Manual Online
For 1990-2009 cars only
Makes
🢒
Cadillac
🢒
2008
🢒
SLS
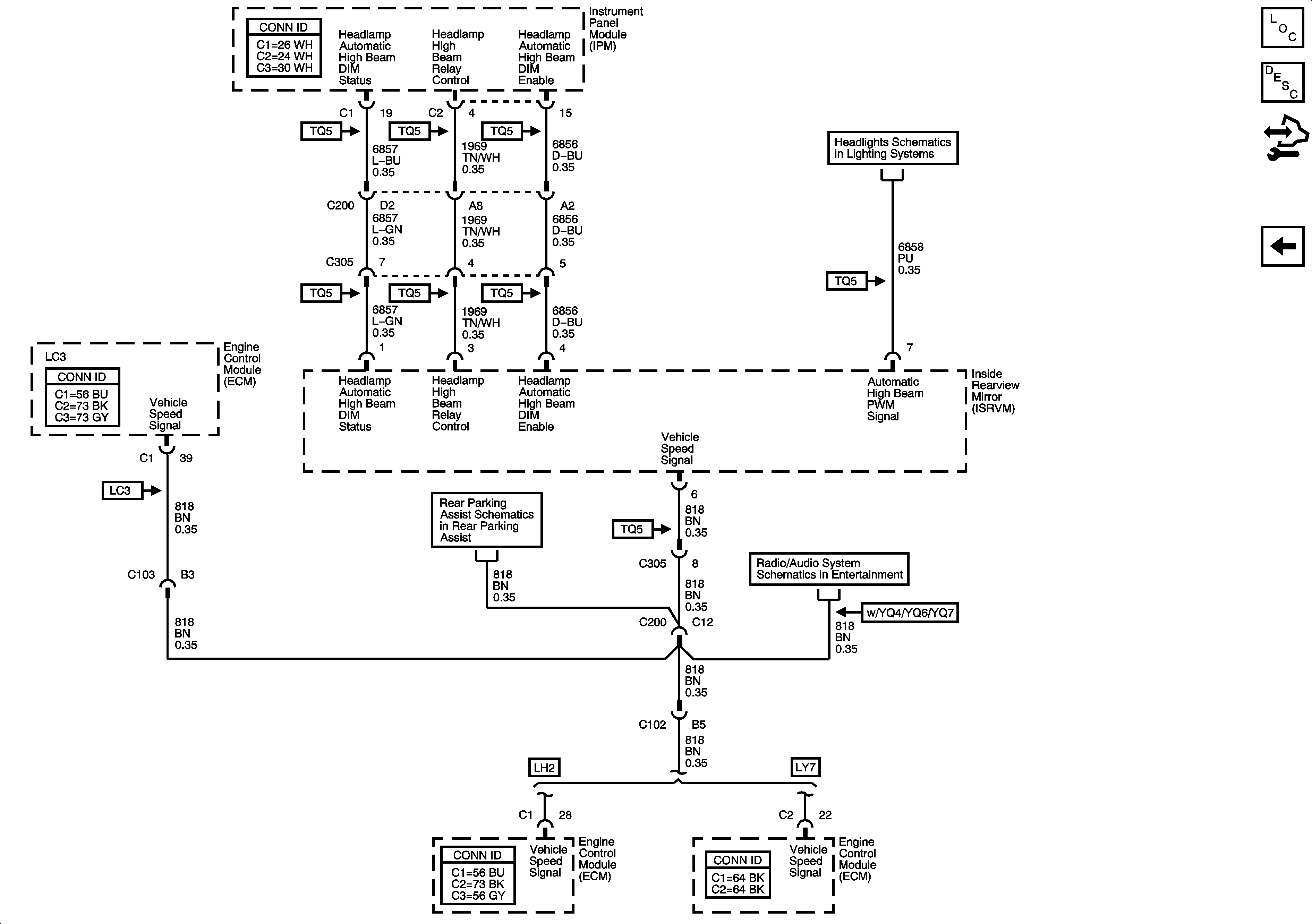
🢒 Automatic Headlamp Dimming Signals, VSS (TT6)
Automatic Headlamp Dimming Signals, VSS (TT6)
Inside Rearview Mirror (ISRVM): Automatic Headlamp Dimming Signals
Master Electrical Component List
Automatic Day-Night Mirror Description and Operation
Control Module References
Power and Ground
Headlamps w/ TT6, Automatic Headlamp Dimming Relay
Object Detection
Microphone, VSS and GPS Antenna