GM Service Manual Online
For 1990-2009 cars only
Makes
🢒
Cadillac
🢒
2008
🢒
SLS
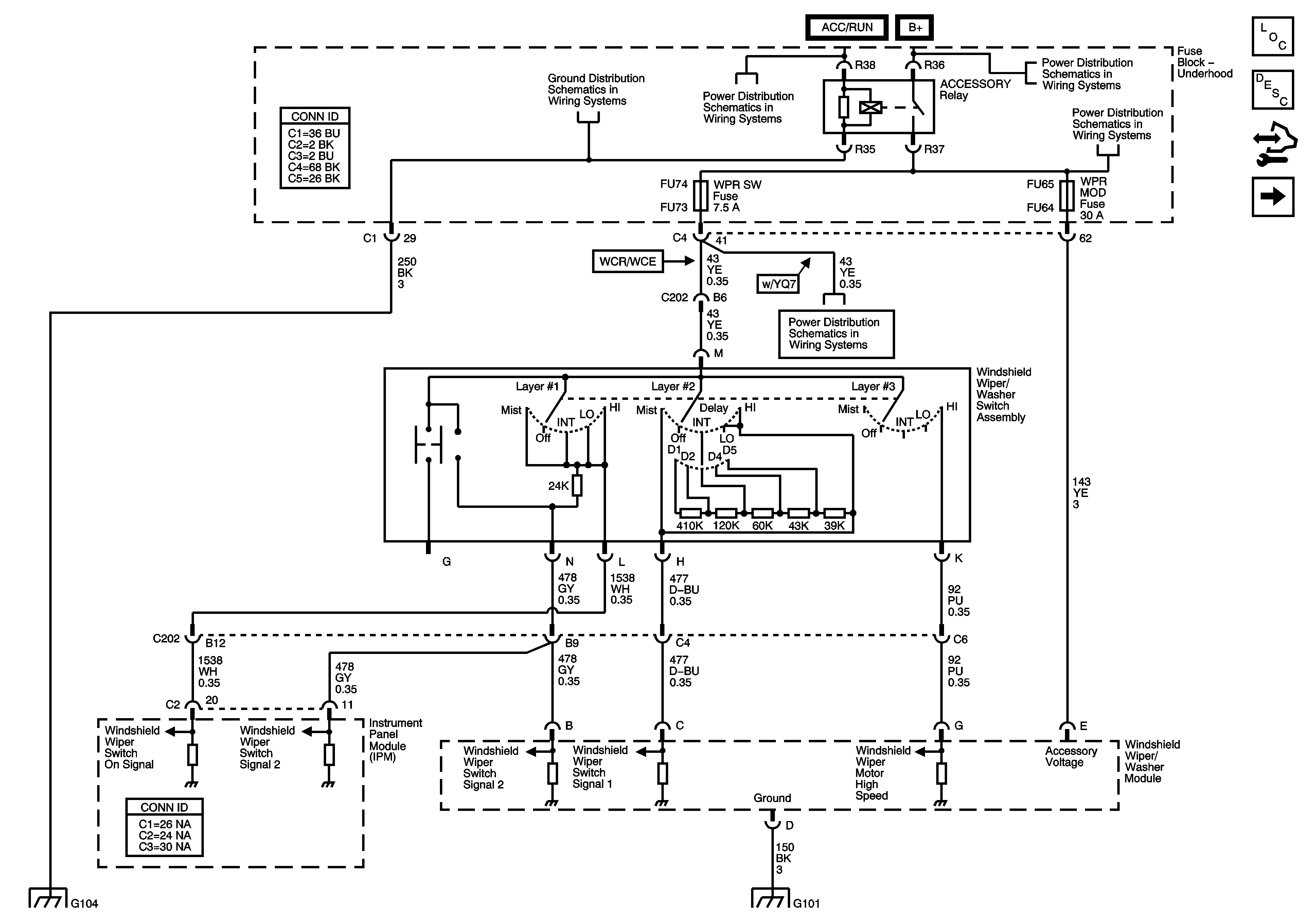
🢒 Module Power, Ground and Wiper Switch
Module Power, Ground and Wiper Switch
Power, Grounds and Wiper Switch
Master Electrical Component List
Wiper/Washer System Description and Operation (STS)
Control Module References
Rain Sensor, Windshield Washer Pump and Headlamp Washer Pump w/ TT6/TT7/TT8
G104 (1 of 2)
G101
G104 (1 of 2)
Power Modes
Traffic Information Receiver (VICS) Module - Japan
Fuse Block Underhood Bussing
Fuse Block - Underhood Fuses/Relays: IPM/ALDL, Auto Headlamp Dimming, CCP, ECM/TCM, WPR MOD, WPR SW/VICS and Rain Sensor/HDLP Wash Fuses, Accessory Relay