GM Service Manual Online
For 1990-2009 cars only
Makes
🢒
Cadillac
🢒
2008
🢒
SLS
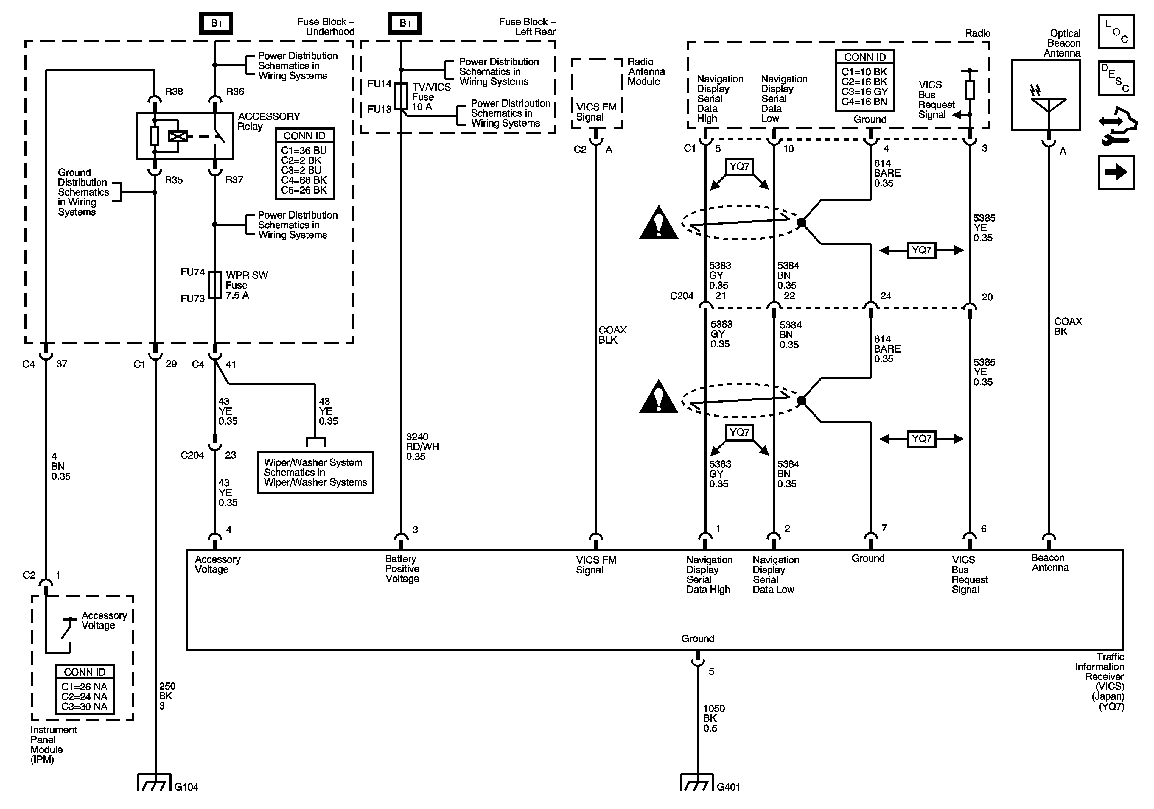
🢒 Traffic Information Receiver (VICS) Module - Japan
Traffic Information Receiver (VICS) Module - Japan
Traffic Information Receiver Module (VICS) - Japan Only
Master Electrical Component List
Navigation System Description and Operation
Control Module References
Radio and VICS Antennas, Audio/Video Adapter
G104 (1 of 2)
G104 (1 of 2)
Fuse Block Underhood Bussing
Fuse Block - Underhood Fuses/Relays: IPM/ALDL, Auto Headlamp Dimming, CCP, ECM/TCM, WPR MOD, WPR SW/VICS and Rain Sensor/HDLP Wash Fuses, Accessory Relay
Module Power, Ground and Wiper Switch
Navigation System Schematic Icons
Navigation System Schematic Icons
Fuse Block Left Rear Bussing
Fuse Block Left Rear: TV/VICS, ELC SOL, ESC Module, Driver Door Module, Rear Door Module, Theft/Shifter and AMP Fuses
G401 (2 of 2)