GM Service Manual Online
For 1990-2009 cars only
Makes
🢒
Cadillac
🢒
2008
🢒
SLS
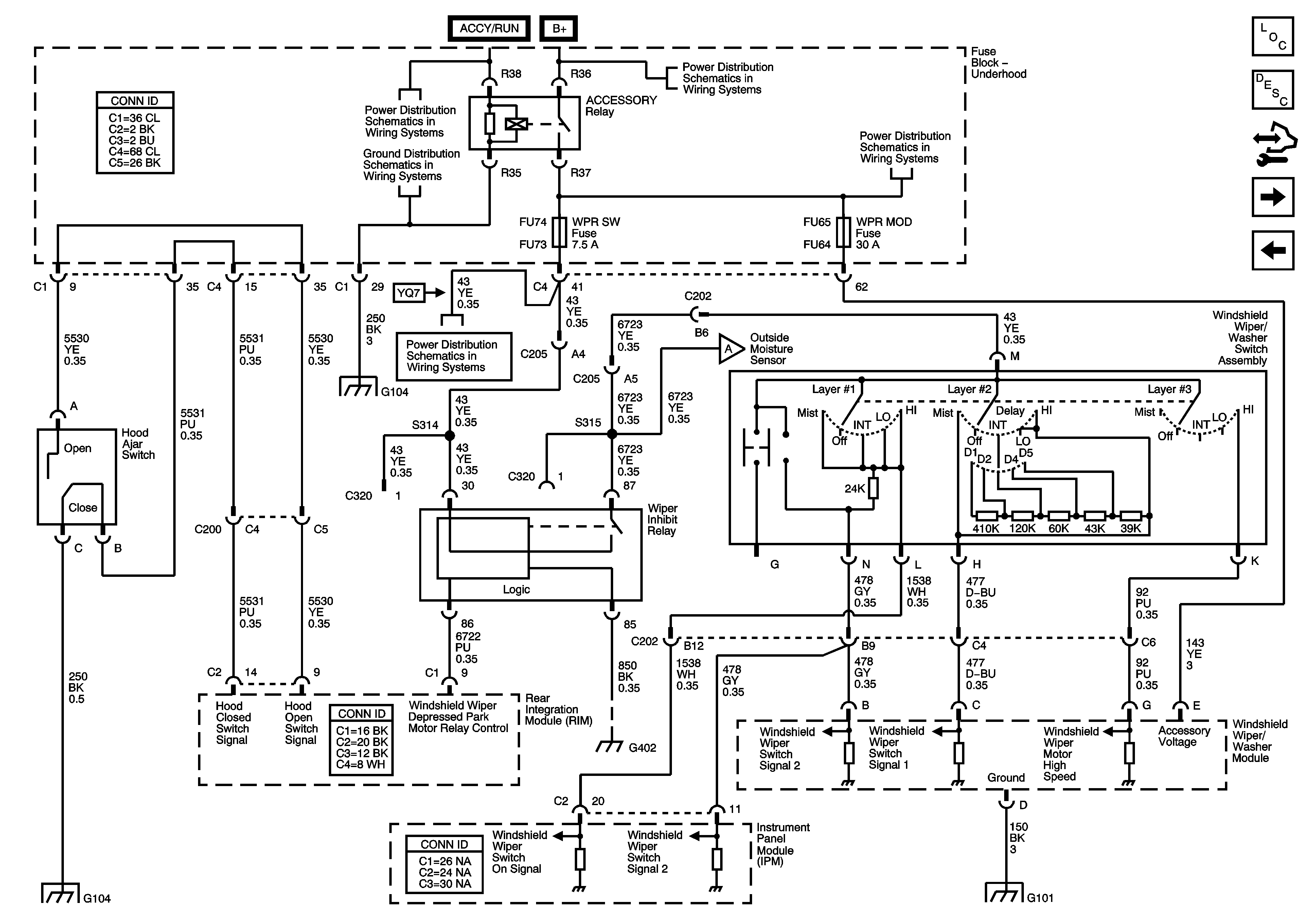
🢒 Wiper Inhibit System (STS-V)
Wiper Inhibit System (STS-V)
Wiper Inhibit System (STS-V)
Master Electrical Component List
Wiper/Washer System Description and Operation (STS)
Control Module References
Heated Washer Nozzles w/ XA7
Power Modes
G104 (1 of 2)
Fuse Block Underhood Bussing
Fuse Block - Underhood Fuses/Relays: IPM/ALDL, Auto Headlamp Dimming, CCP, ECM/TCM, WPR MOD, WPR SW/VICS and Rain Sensor/HDLP Wash Fuses, Accessory Relay
Traffic Information Receiver (VICS) Module - Japan
G402 (2 of 2)