GM Service Manual Online
For 1990-2009 cars only
Makes
🢒
Cadillac
🢒
2004
🢒
SRX
🢒
Accessories
🢒
Entertainment
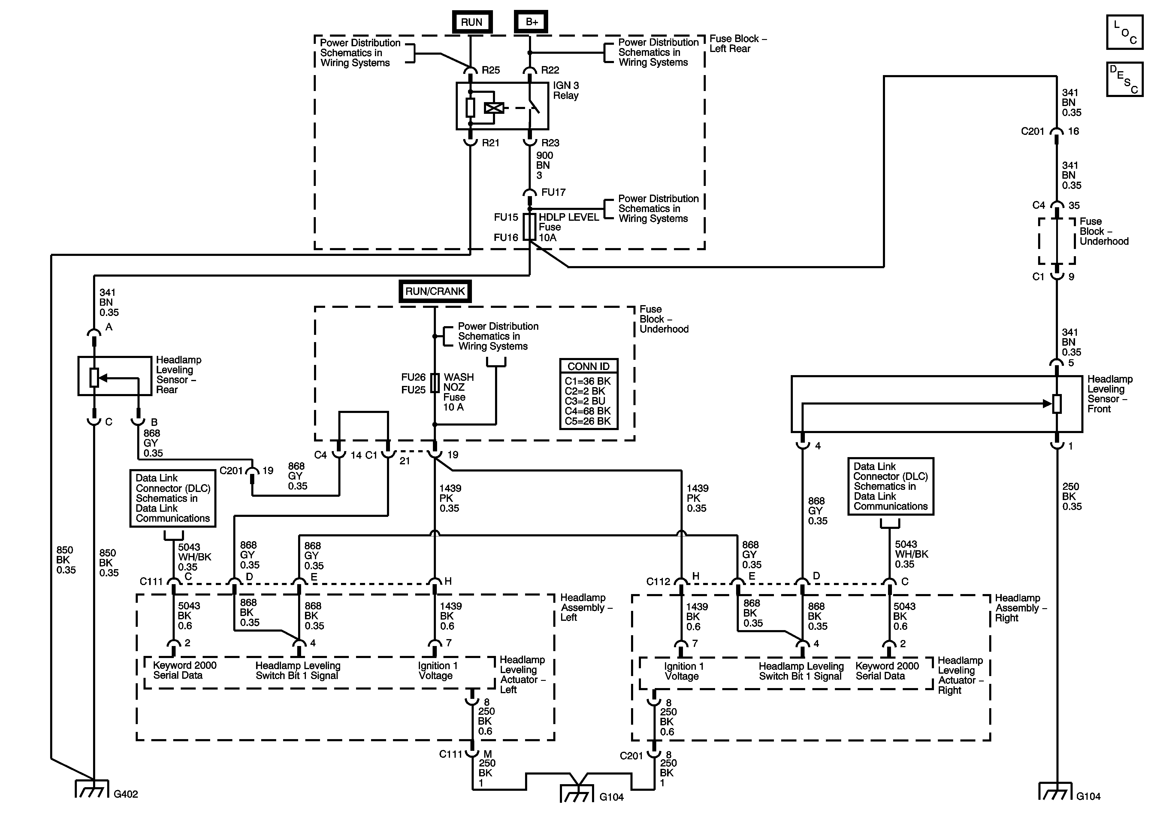
🢒 Headlight Leveling Schematics
Master Electrical Component List
Automatic Headlamp Leveling Calibration Description and Operation
IGN SW Fuse and Ignition Switch - 1 of 2
Fuse Block - Left Rear B+ Bus
AIRBAG, CCP (RUN), EBCM (RUN), HDLP LEVELING, IGN 1, AND IGN 3 Fuses
Power, Ground, GMLAN, and Key Word 2000 Serial Data
ABS, STARTER RLY, STRG CTLS, TCM/IPC, and WASH NOZ Fuses
Power, Ground, GMLAN, and Key Word 2000 Serial Data
G402 - 1 of 2
G104
G104