GM Service Manual Online
For 1990-2009 cars only
Makes
🢒
Cadillac
🢒
2004
🢒
SRX
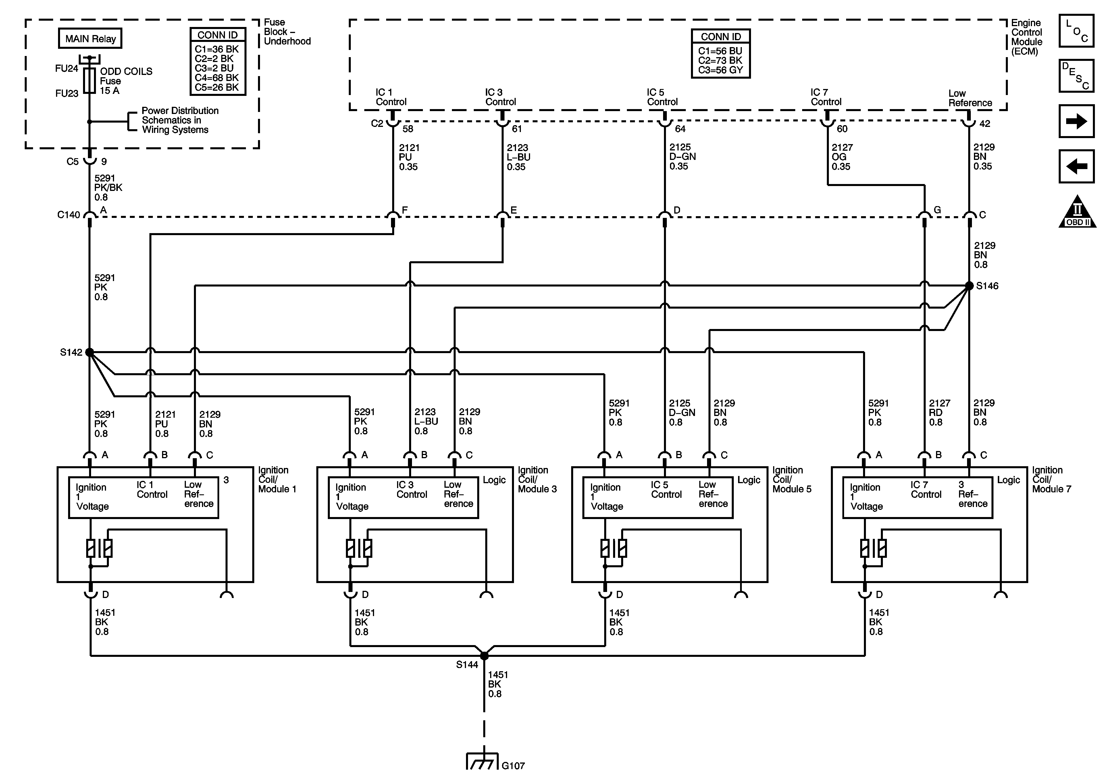
🢒 Ignition Controls - Bank 1 Ignition Coils
Ignition Controls - Bank 1 Ignition Coils
Ignition Controls - Bank 1 Ignition Coils
Master Electrical Component List
Electronic Ignition (EI) System Description
Ignition Controls - Bank 2 Ignition Coils
Engine Data Sensors - Electronic Throttle Controls
OBD II Symbol Description Notice
Power, Ground, Serial Data and MIL
EVEN COILS, ODD COILS Fuse and POST O2 Fuses
G102, G105, G107, G108, G109 and G110