GM Service Manual Online
For 1990-2009 cars only
Makes
🢒
Cadillac
🢒
2004
🢒
SRX
🢒 Engine Data Sensors - Electronic Throttle Controls
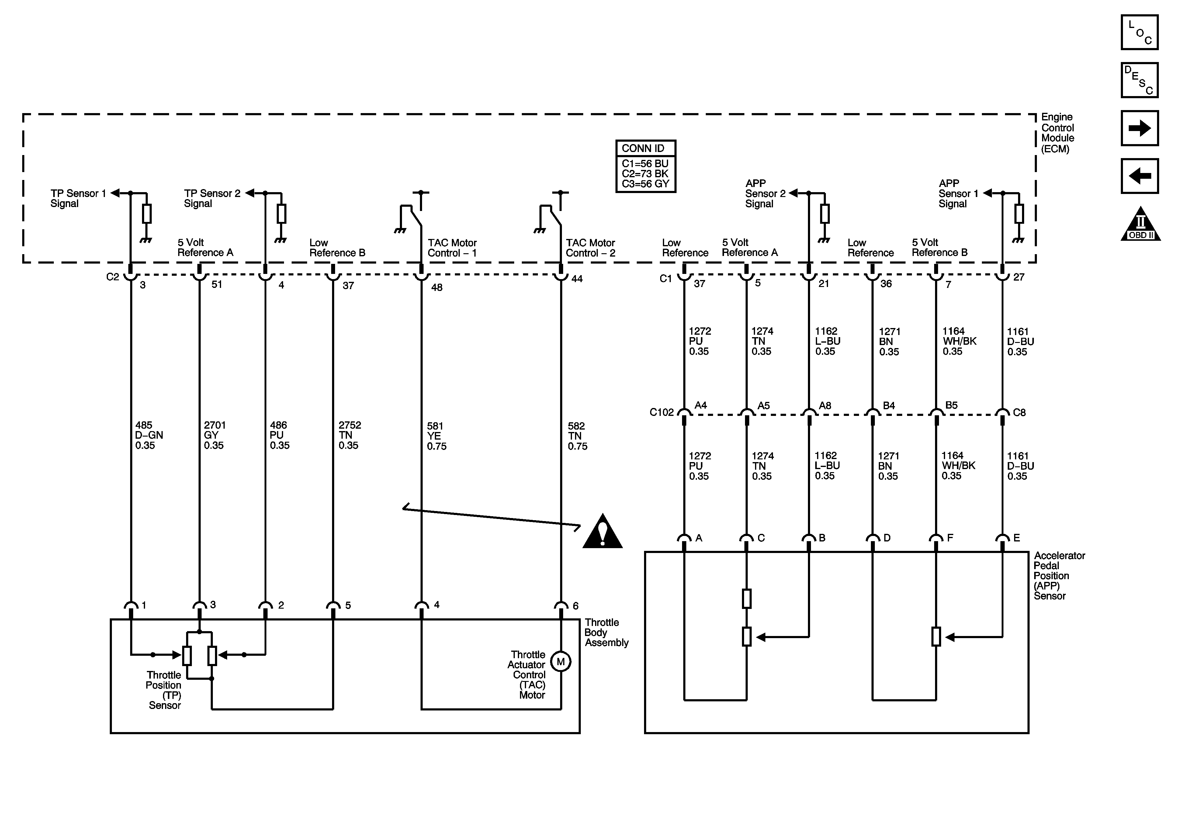
Engine Data Sensors - Electronic Throttle Controls
Engine Data Sensors - Electronic Throttle Controls
Master Electrical Component List
Fuel System Description
Ignition Controls - Bank 1 Ignition Coils
Engine Data Sensors - Oxygen Sensors
OBD II Symbol Description Notice
Engine Controls Schematic Icons