GM Service Manual Online
For 1990-2009 cars only

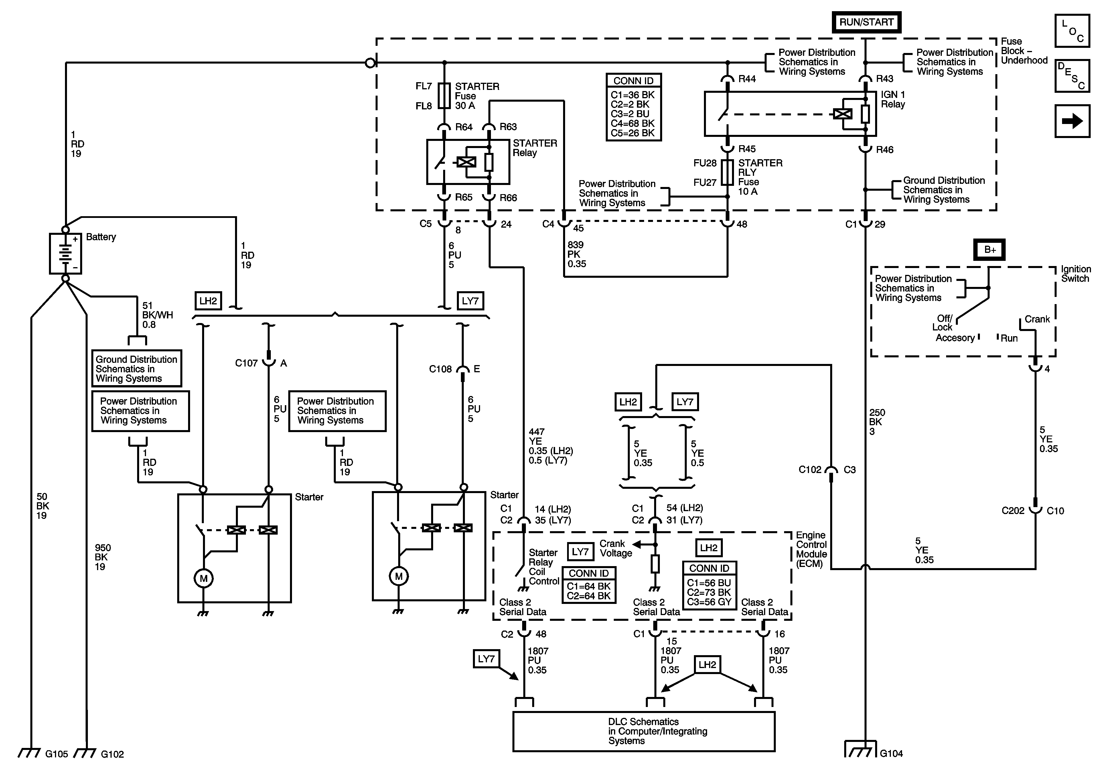
Starting System

Starting System


Object Number: 1056809  Size: FS
Master Electrical Component List
Starting System Description and Operation
Charging System
Fuse Block - Underhood B+ Bus Schematic
RIM and THEFT Fuses and Ignition Switch - 2 of 2
ABS, STARTER RLY, STRG CTLS, TCM/IPC, and WASH NOZ Fuses
G104
IGN SW Fuse and Ignition Switch - 1 of 2
G102, G105, G107, G108, G109 and G110
Fuse Block - Underhood B+ Bus Schematic
Class 2 Serial Data - 1 of 2
G104