GM Service Manual Online
For 1990-2009 cars only
Makes
🢒
Cadillac
🢒
2004
🢒
SRX
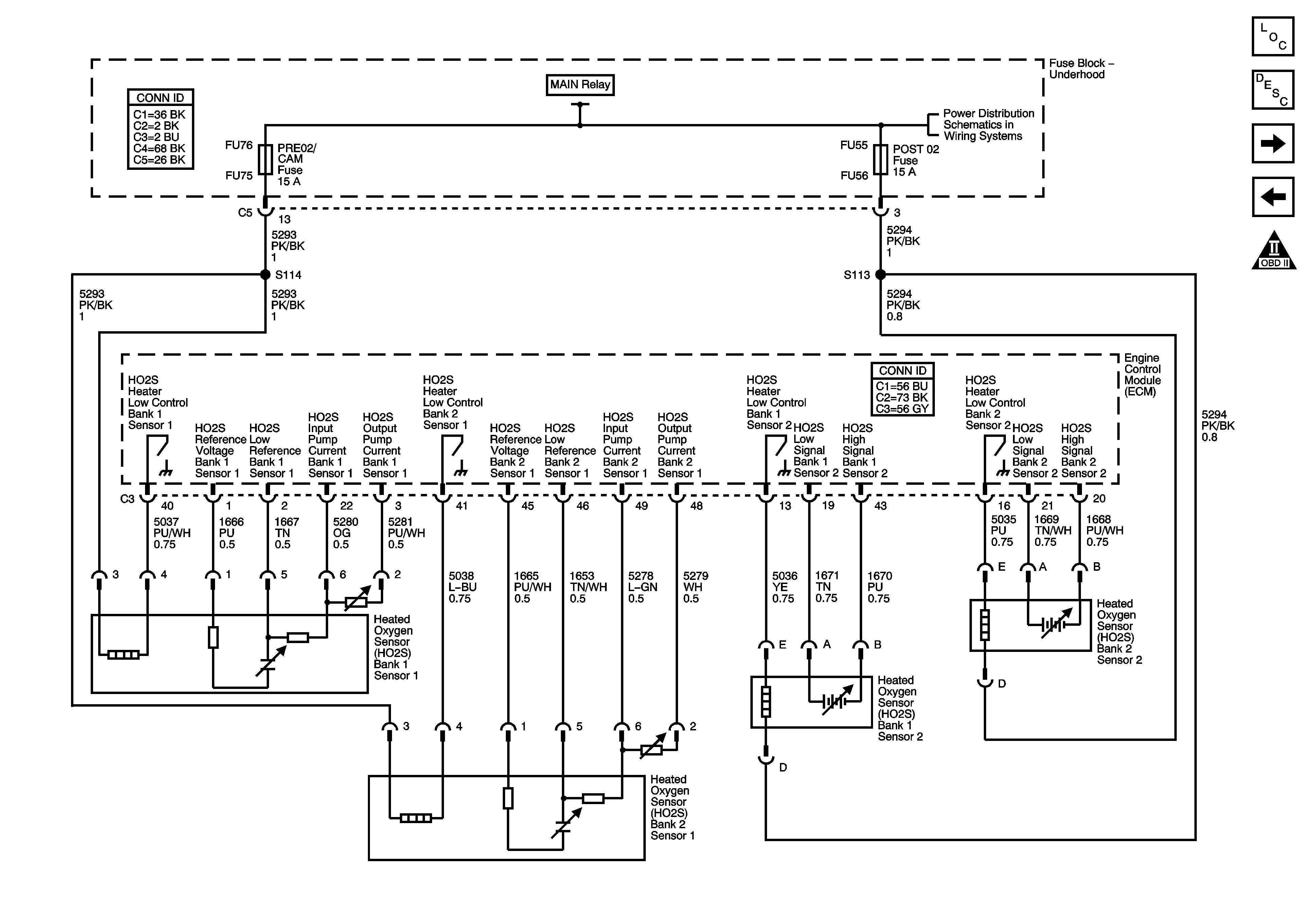
🢒 Engine Data Sensors - Oxygen Sensors
Engine Data Sensors - Oxygen Sensors
Engine Data Sensors - Oxygen Sensors
Master Electrical Component List
Engine Control Module Description
Engine Data Sensors - Electronic Throttle Controls
Engine Data Sensors - Pressure, Temperature, MAF, VSS and Extended Travel Brake Switch
OBD II Symbol Description Notice
HFVG, PRE02/CAM, and V8 ECM Fuses
HFVG, PRE02/CAM, and V8 ECM Fuses