GM Service Manual Online
For 1990-2009 cars only
Makes
🢒
Cadillac
🢒
2004
🢒
SRX
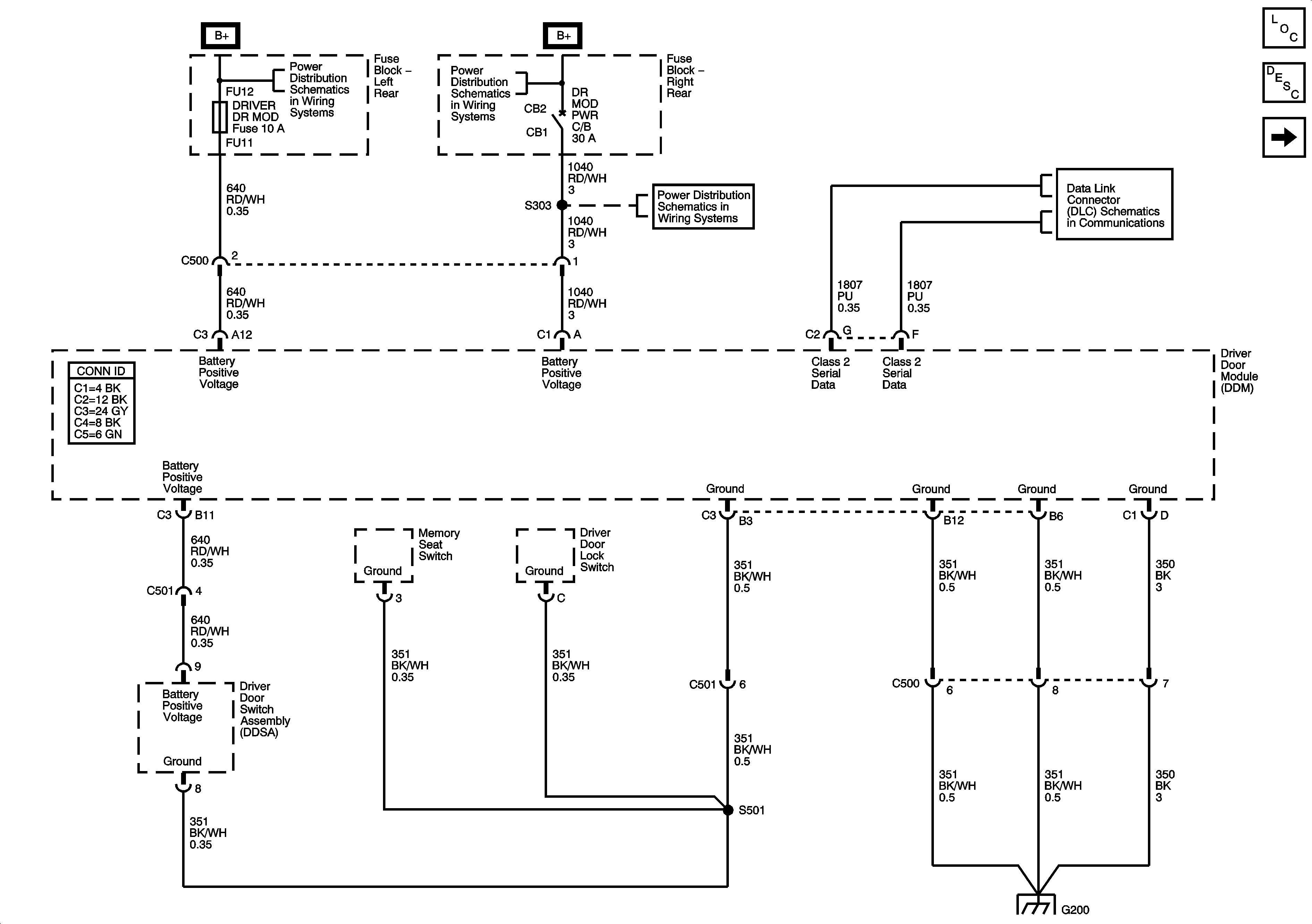
🢒 DDM Power, Ground and Serial Data
DDM Power, Ground and Serial Data
DDM Power, Ground and Serial Data
Master Electrical Component List
Power Door Locks Description and Operation
DDM Signals/Controls - 1 of 2
Fuse Block - Left Rear B+ Bus
Fuse Block - Right Rear B+ Bus
CANISTER VENT, DR MOD PWR, R FRT HTD SEAT MOD, and SUNROOF MOD Fuses
Class 2 Serial Data - 1 of 2
G200