GM Service Manual Online
For 1990-2009 cars only
Makes
🢒
Cadillac
🢒
2004
🢒
SRX
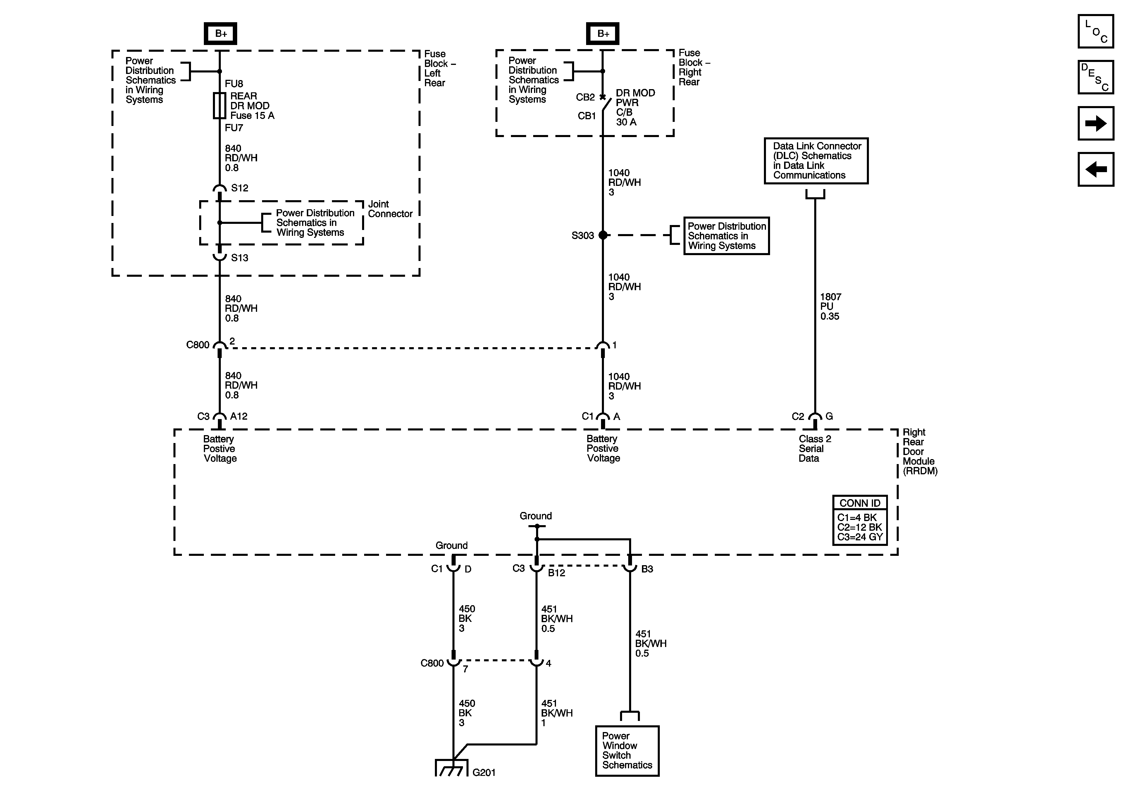
🢒 RRDM Power, Ground and Serial Data
RRDM Power, Ground and Serial Data
RRDM Power, Ground and Serial Data
Master Electrical Component List
Power Door Locks Description and Operation
RRDM Signals/Controls
LRDM Signals/Controls
Fuse Block - Left Rear B+ Bus
Fuse Block - Right Rear B+ Bus
AMP, AUDIO, DRIVER DR MOD ELC COMP, L FRT HTD SEAT MOD, MEM/ADAPT SEAT, and REAR DR MOD Fuses
CANISTER VENT, DR MOD PWR, R FRT HTD SEAT MOD, and SUNROOF MOD Fuses
Class 2 Serial Data - 2 of 2
G201
Rear Power Windows