GM Service Manual Online
For 1990-2009 cars only

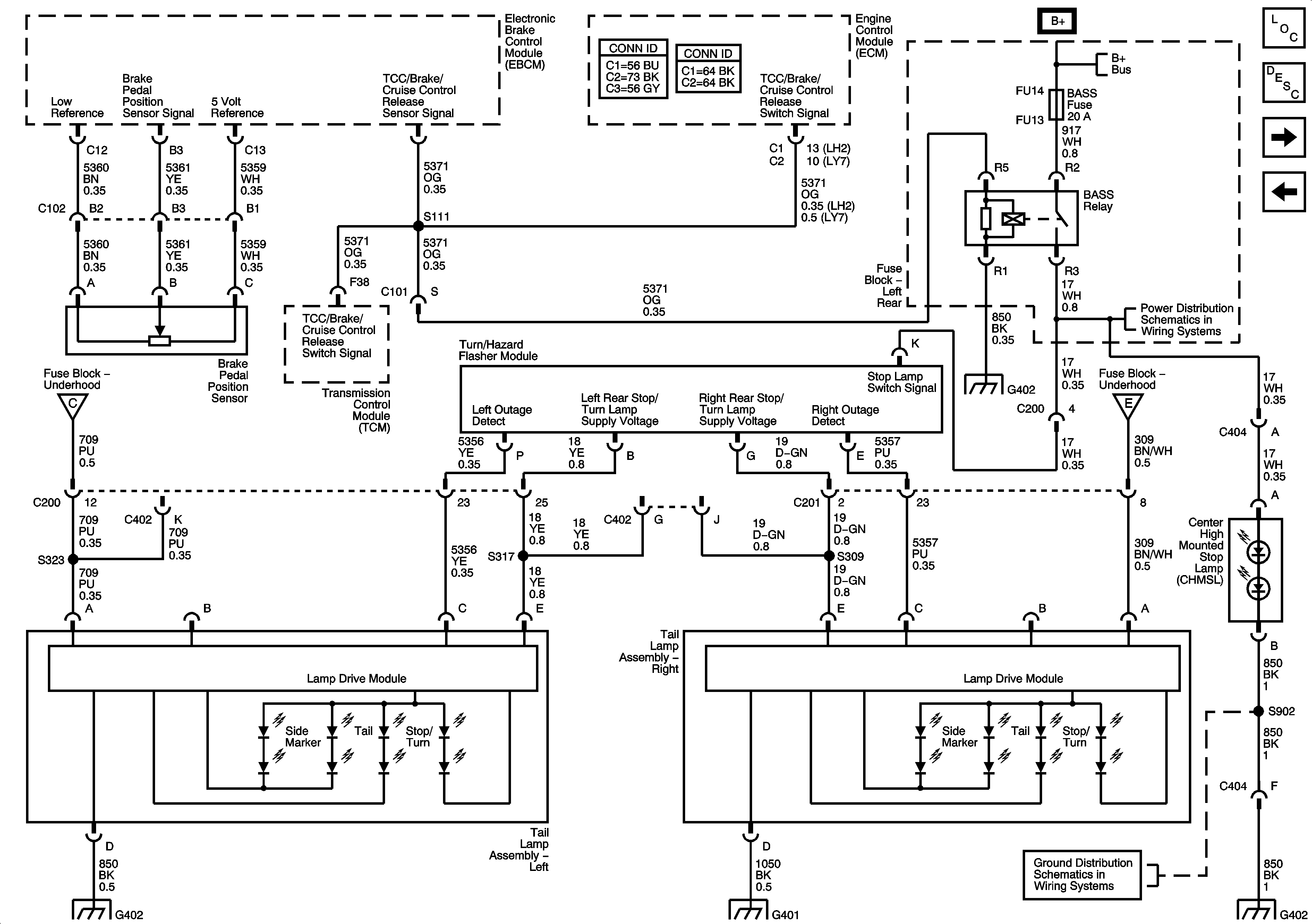
Tail Lamps (Domestic) Schematic

Tail Lamps - Domestic


Object Number: 1300109  Size: FS
Master Electrical Component List
Exterior Lighting Systems Description and Operation
Tail Lamps (Export) Schematic
License, Park and Side Marker Lamps (Export) Schematic
Park Lamp Relay, Switch and Instrument Cluster (Dom, Exp) Schematic
G402 - 1 of 2
FFS SW, FFSM, BASS Fuses and BASS Relay schematic
Park Lamp Relay, Switch and Instrument Cluster (Dom, Exp) Schematic
G402 - 1 of 2
G401 - 1 of 2
G402 - 1 of 2
G402 - 1 of 2