GM Service Manual Online
For 1990-2009 cars only

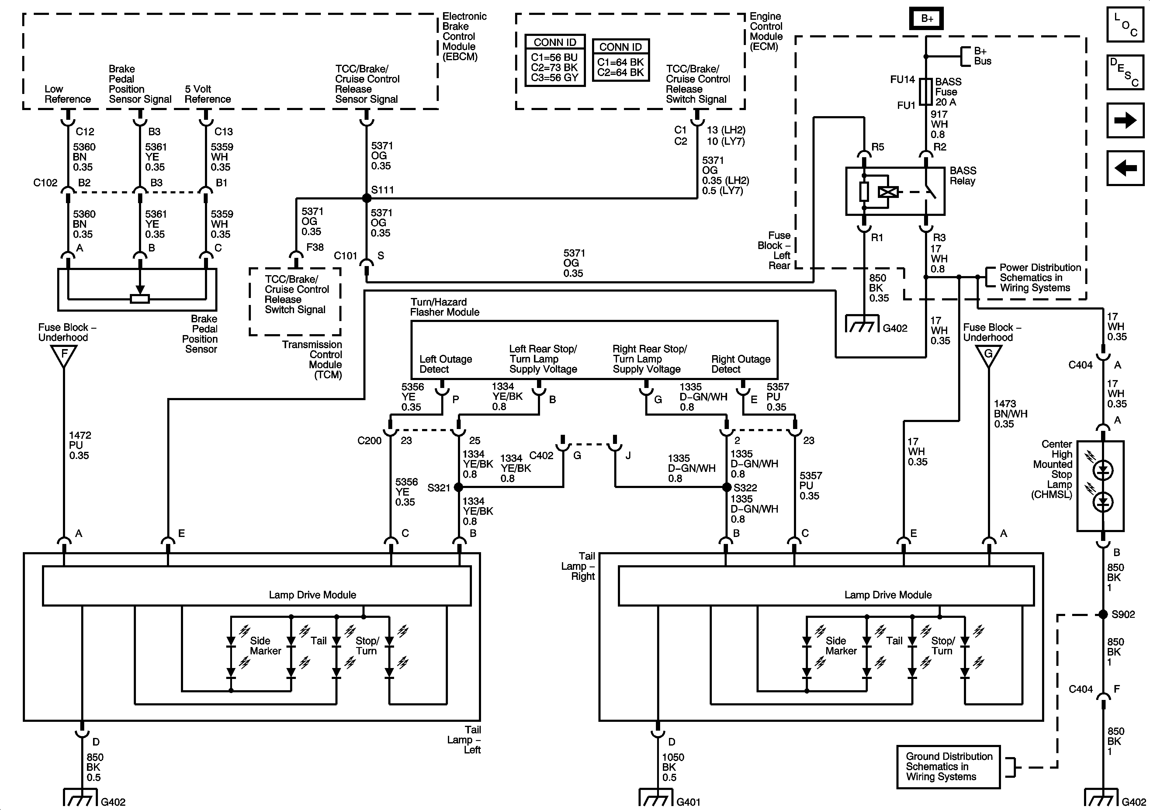
Tail Lamps (Export) Schematic

Tail Lamps - Export


Object Number: 1300114  Size: FS
Master Electrical Component List
Exterior Lighting Systems Description and Operation
Backup Lamps (Domestic, Export) Schematic
Tail Lamps (Domestic) Schematic
Park Lamp Relay, Switch and Instrument Cluster (Dom, Exp) Schematic
G402 - 1 of 2
License, Park and Side Marker Lamps (Export) Schematic
FFS SW, FFSM, BASS Fuses and BASS Relay schematic
G402 - 1 of 2
G401 - 1 of 2
G402 - 1 of 2
G402 - 1 of 2