GM Service Manual Online
For 1990-2009 cars only
Makes
🢒
Cadillac
🢒
2004
🢒
SRX
🢒 Power Seat (w/o A45)
Power Seat (w/o A45)
Power Seat (w/o A45)
Master Electrical Component List
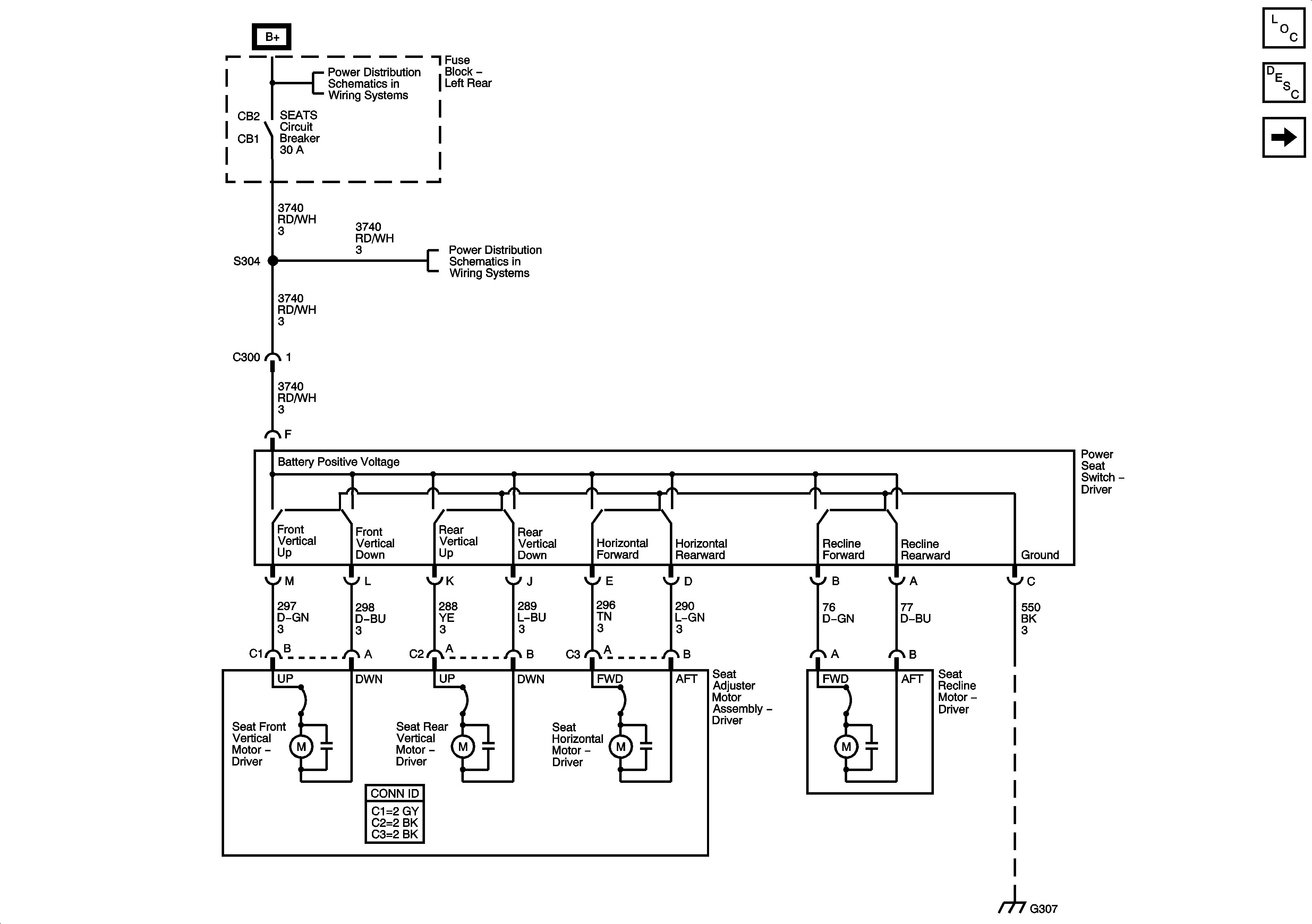
Power Seats System Description and Operation Front Seat
Heated Seats (KA1)
Fuse Block - Left Rear B+ Bus
FFSM, FFS SW. and THEFT Fuses and SEAT Circuit Breaker
G307