GM Service Manual Online
For 1990-2009 cars only
Makes
🢒
Cadillac
🢒
2004
🢒
SRX
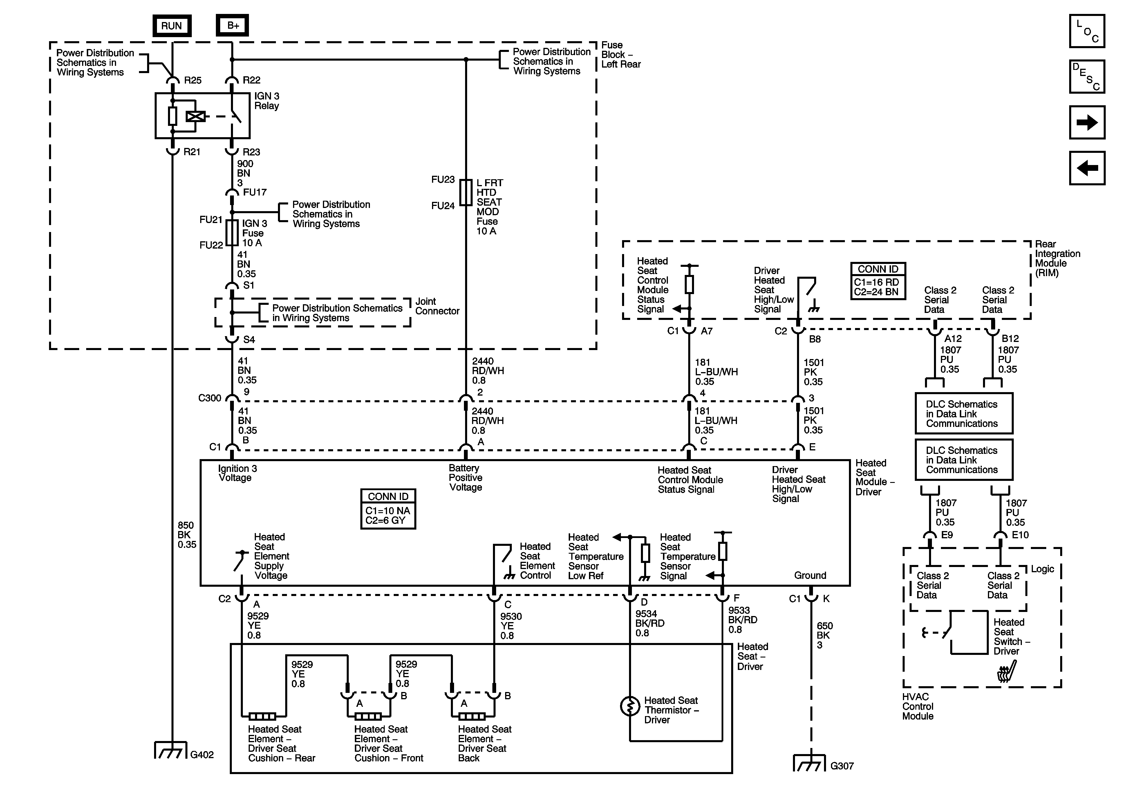
🢒 Heated Seats (KA1)
Heated Seats (KA1)
Heated Seat (KA1)
Master Electrical Component List
Heated Seats Description and Operation
Memory Seat Module Power, Ground, and Seat Adjuster Switches (A45)
Power Seat (w/o A45)
IGN SW Fuse and Ignition Switch - 1 of 2
Fuse Block - Left Rear B+ Bus
AIRBAG, CCP (RUN), EBCM (RUN), HDLP LEVELING, IGN 1, AND IGN 3 Fuses
AIRBAG, CCP (RUN), EBCM (RUN), HDLP LEVELING, IGN 1, AND IGN 3 Fuses
Class 2 Serial Data - 2 of 2
Class 2 Serial Data - 1 of 2
G402 - 1 of 2
G307