GM Service Manual Online
For 1990-2009 cars only

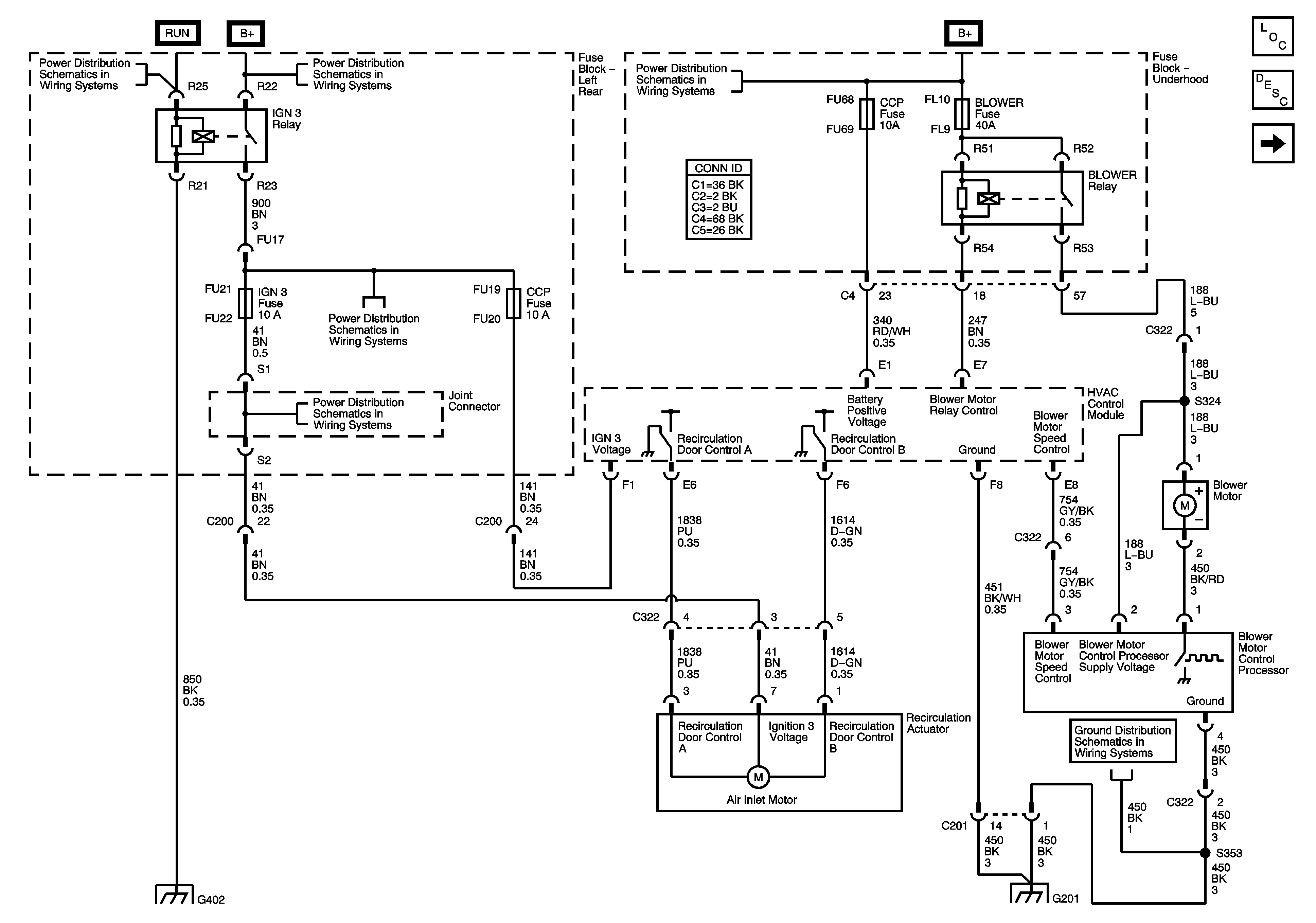
Power, Ground, Blower Motor and Recirculation Actuator

Power, Ground, Blower Motor and Recirculation Actuator


Object Number: 1214897  Size: FS
Master Electrical Component List
Air Delivery Description and Operation
Serial Data and A/C Compressor Controls
IGN SW Fuse and Ignition Switch - 1 of 2
Fuse Block - Left Rear B+ Bus
Fuse Block - Underhood B+ Bus Schematic
AIRBAG, CCP (RUN), EBCM (RUN), HDLP LEVELING, IGN 1, AND IGN 3 Fuses
AIRBAG, CCP (RUN), EBCM (RUN), HDLP LEVELING, IGN 1, AND IGN 3 Fuses
G402 - 1 of 2
G201
G201