GM Service Manual Online
For 1990-2009 cars only

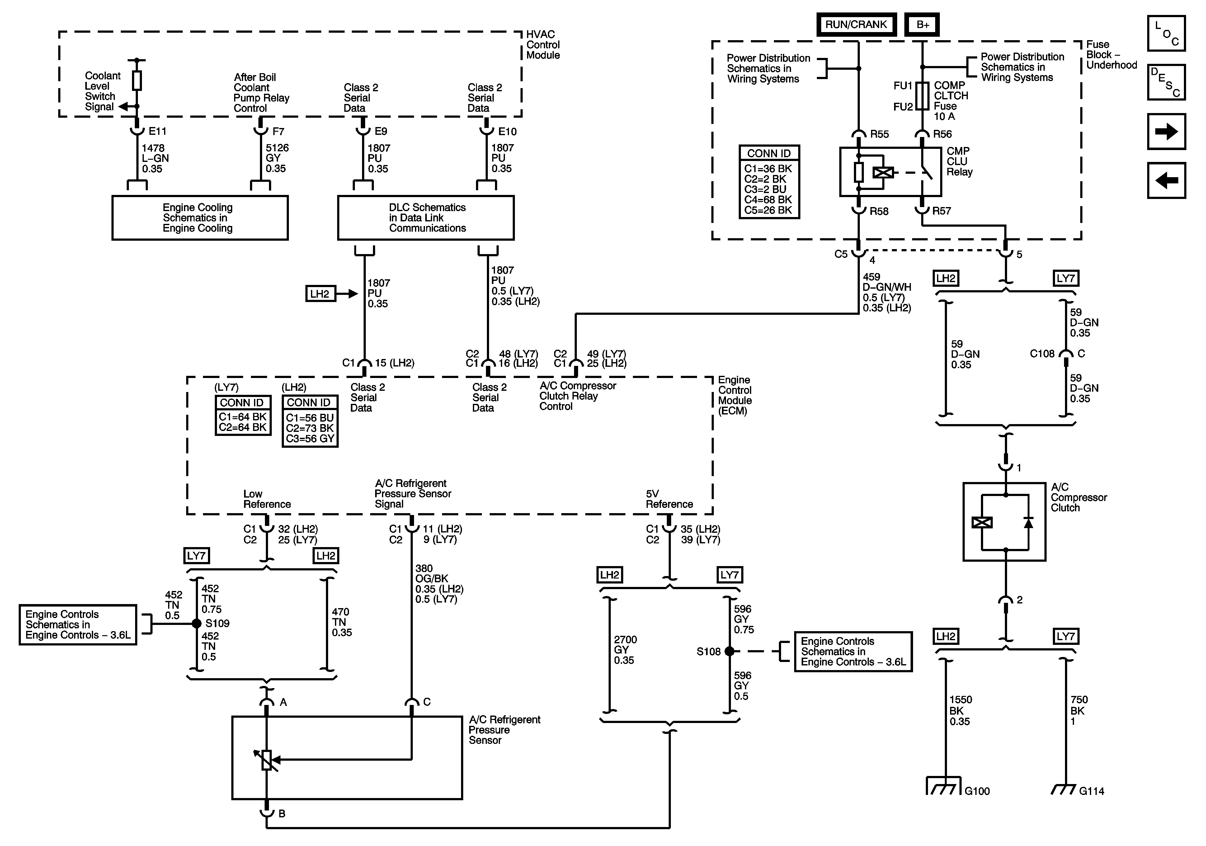
Serial Data and A/C Compressor Controls

Serial Data and A/C Compressor Controls


Object Number: 1214899  Size: FS
Master Electrical Component List
Air Temperature Description and Operation
Air Delivery and Temperature Controls
Power, Ground, Blower Motor and Recirculation Actuator
Indicators and Pump
Class 2 Serial Data - 1 of 2
RIM and THEFT Fuses and Ignition Switch - 2 of 2
Fuse Block - Underhood B+ Bus Schematic
Engine Data Sensors - Low Reference Bussing
Engine Data Sensors - 5-Volt Reference Bussing
G100 - LH2