GM Service Manual Online
For 1990-2009 cars only
Makes
🢒
Cadillac
🢒
2005
🢒
SRX
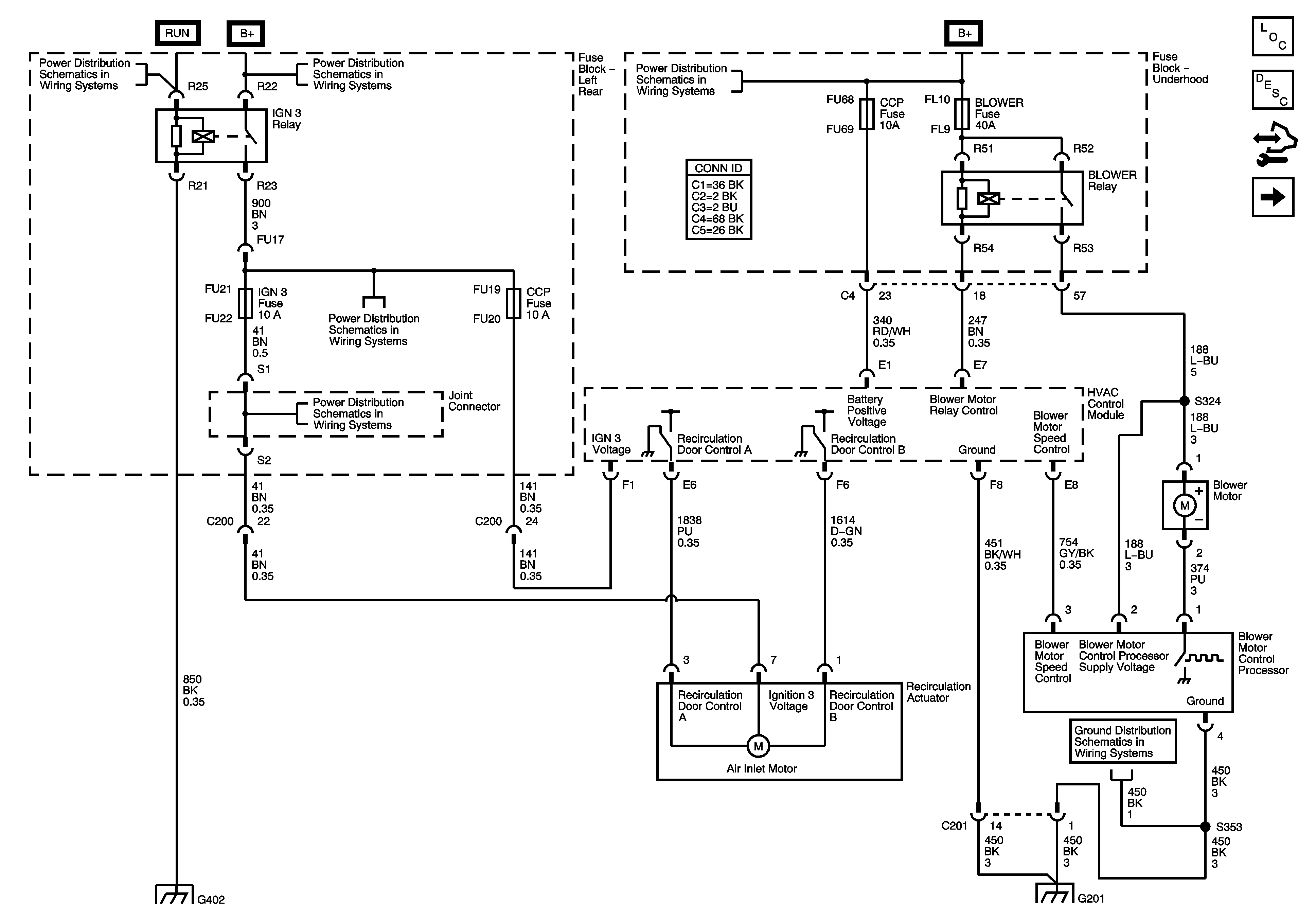
🢒 Power, Ground, Blower Motor and Recirculation Actuator
Power, Ground, Blower Motor and Recirculation Actuator
Power, Ground, Blower Motor and Recirculation Actuator
Master Electrical Component List
Air Delivery Description and Operation
Control Module References
Serial Data and A/C Compressor Controls
IGN SW Fuse and Ignition Switch - 1 of 2
Fuse Block - Left Rear B+ Bus
Fuse Block - Underhood B+ Bus Schematic
AIR BAG, CCP (RUN), EBCM (RUN), HDLP LEVELING, IGN 1, and IGN 3 Fuses
AIR BAG, CCP (RUN), EBCM (RUN), HDLP LEVELING, IGN 1, and IGN 3 Fuses
G402 - 1 of 2
G201
G201