GM Service Manual Online
For 1990-2009 cars only
Makes
🢒
Cadillac
🢒
2005
🢒
SRX
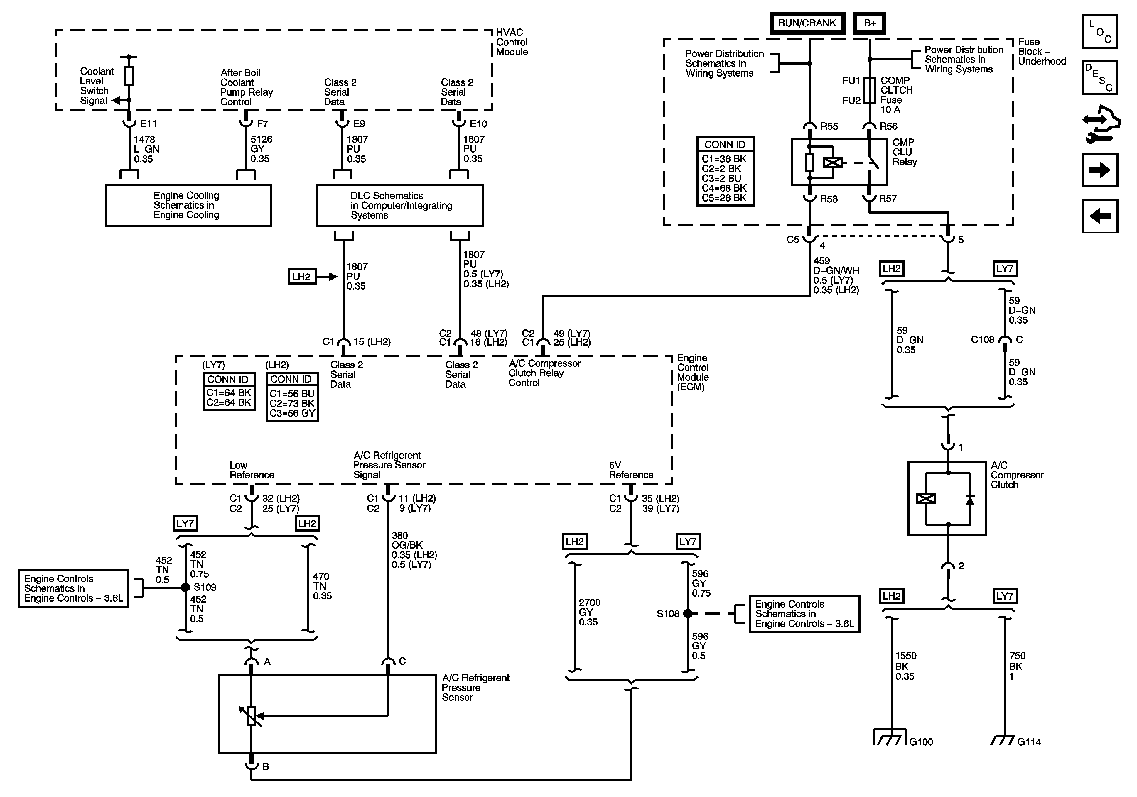
🢒 Serial Data and A/C Compressor Controls
Serial Data and A/C Compressor Controls
Serial Data and A/C Compressor Controls
Master Electrical Component List
Air Temperature Description and Operation
Control Module References
Air Delivery and Temperature Controls
Power, Ground, Blower Motor and Recirculation Actuator
Indicators and Pump
Class 2 Serial Data - 1 of 2
RIM and THEFT Fuses and Ignition Switch - 2 of 2
Fuse Block - Underhood B+ Bus Schematic
Engine Data Sensors - Low Reference
Engine Data Sensors - 5-Volt Reference
G100 - LH2
G111, G112, G113, G114 and G306