GM Service Manual Online
For 1990-2009 cars only
Makes
🢒
Cadillac
🢒
2005
🢒
SRX
🢒 Air Delivery and Temperature Controls
Air Delivery and Temperature Controls
Air Delivery and Temperature Controls
Master Electrical Component List
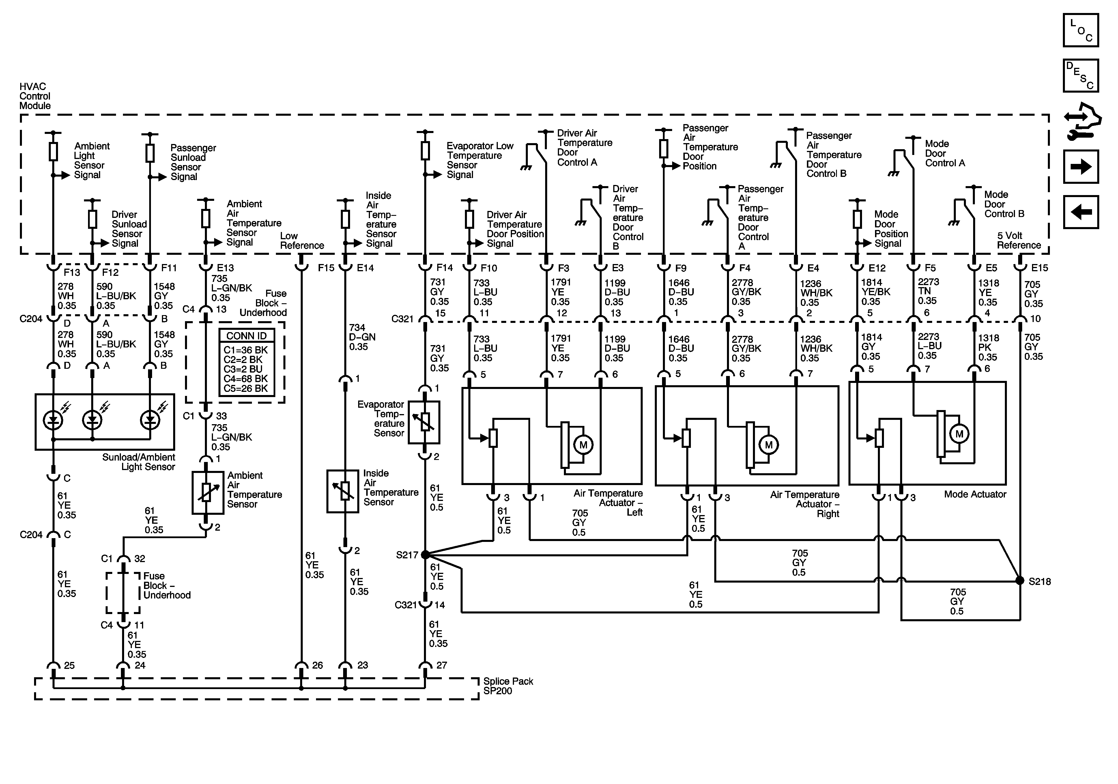
Air Temperature Description and Operation
Control Module References
Auxiliary Blower (C57)
Serial Data and A/C Compressor Controls