GM Service Manual Online
For 1990-2009 cars only
Makes
🢒
Cadillac
🢒
2005
🢒
SRX
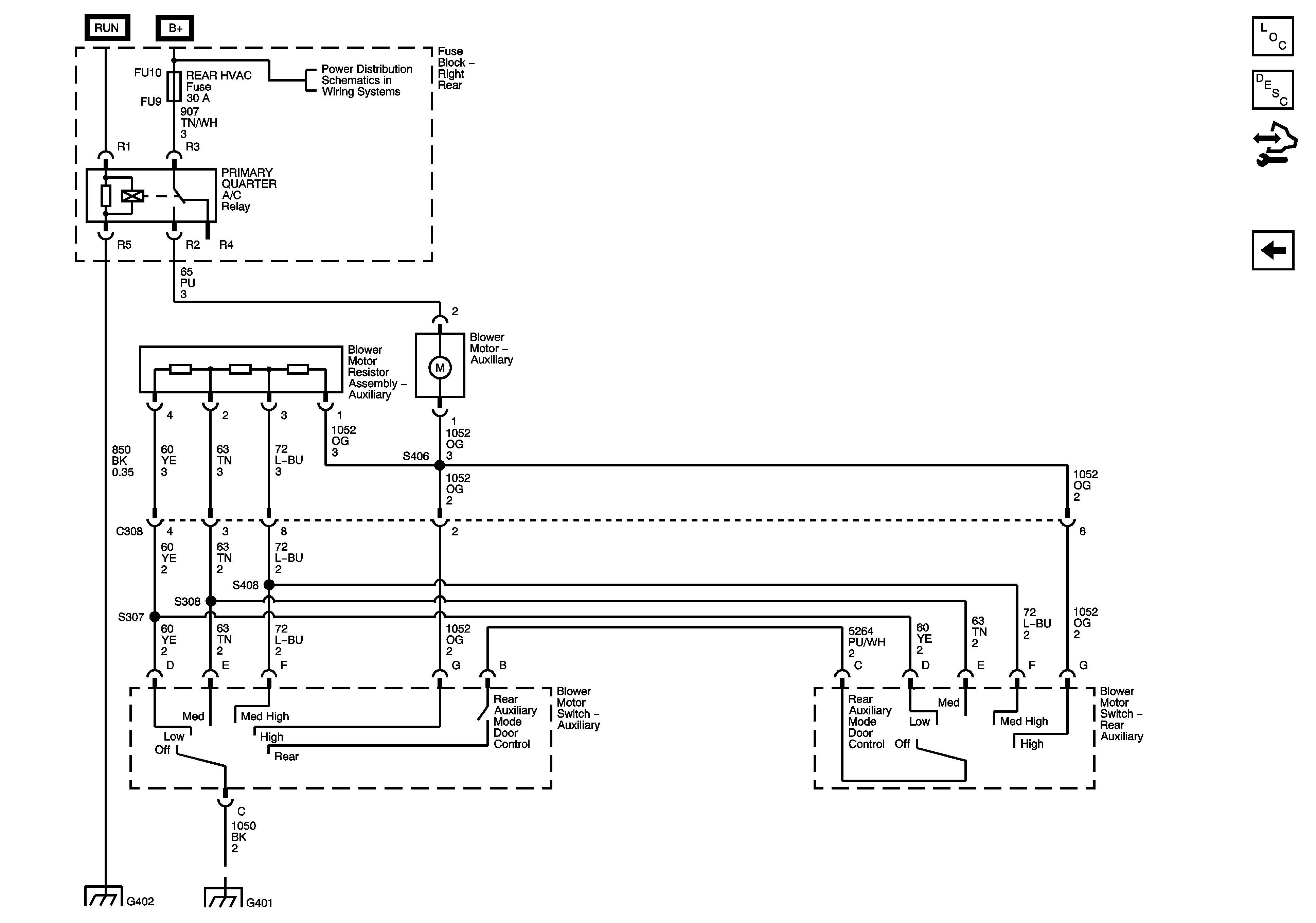
🢒 Auxiliary Blower (C57)
Auxiliary Blower (C57)
Auxiliary Blower Motor (C57)
Master Electrical Component List
Air Delivery Description and Operation
Control Module References
Air Delivery and Temperature Controls
Fuse Block - Right Rear B+ Bus
G402 - 1 of 2
G401 - 2 of 2