GM Service Manual Online
For 1990-2009 cars only
Makes
🢒
Cadillac
🢒
2005
🢒
SRX
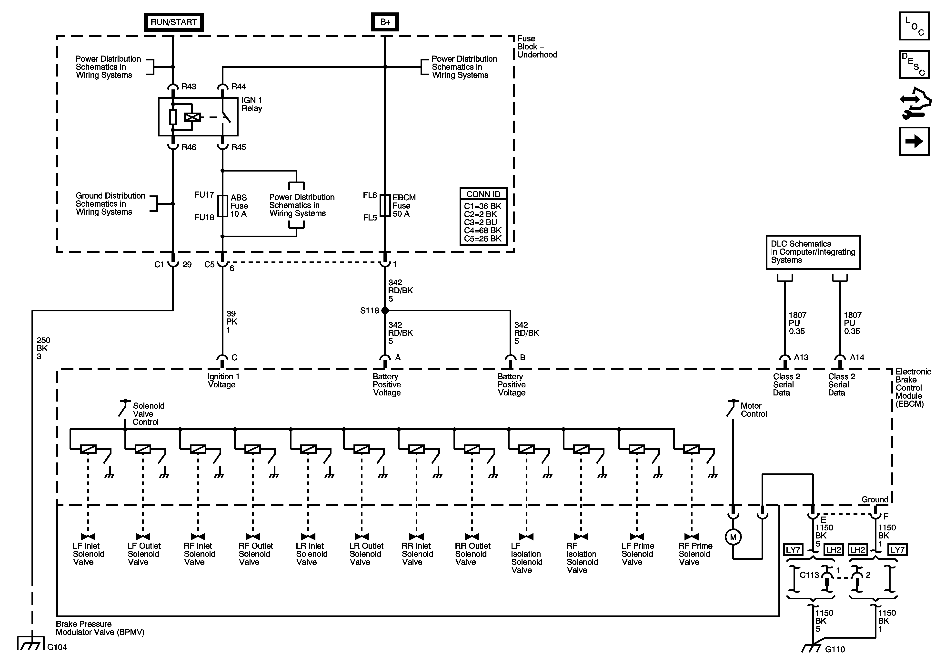
🢒 Power, Ground and Serial Data
Power, Ground and Serial Data
Power, Ground and Serial Data
Master Electrical Component List
ABS Description and Operation
Control Module References
Wheel Speed Sensors
RIM and THEFT Fuses and Ignition Switch - 2 of 2
Fuse Block - Underhood B+ Bus Schematic
G104
ABS, STARTER RLY, STRG CTLS, TCM/IPC, and WASH NOZ Fuses
Class 2 Serial Data - 1 of 2
G104
G102, G105, G107, G108, G109, and G110