GM Service Manual Online
For 1990-2009 cars only
Makes
🢒
Cadillac
🢒
2005
🢒
SRX
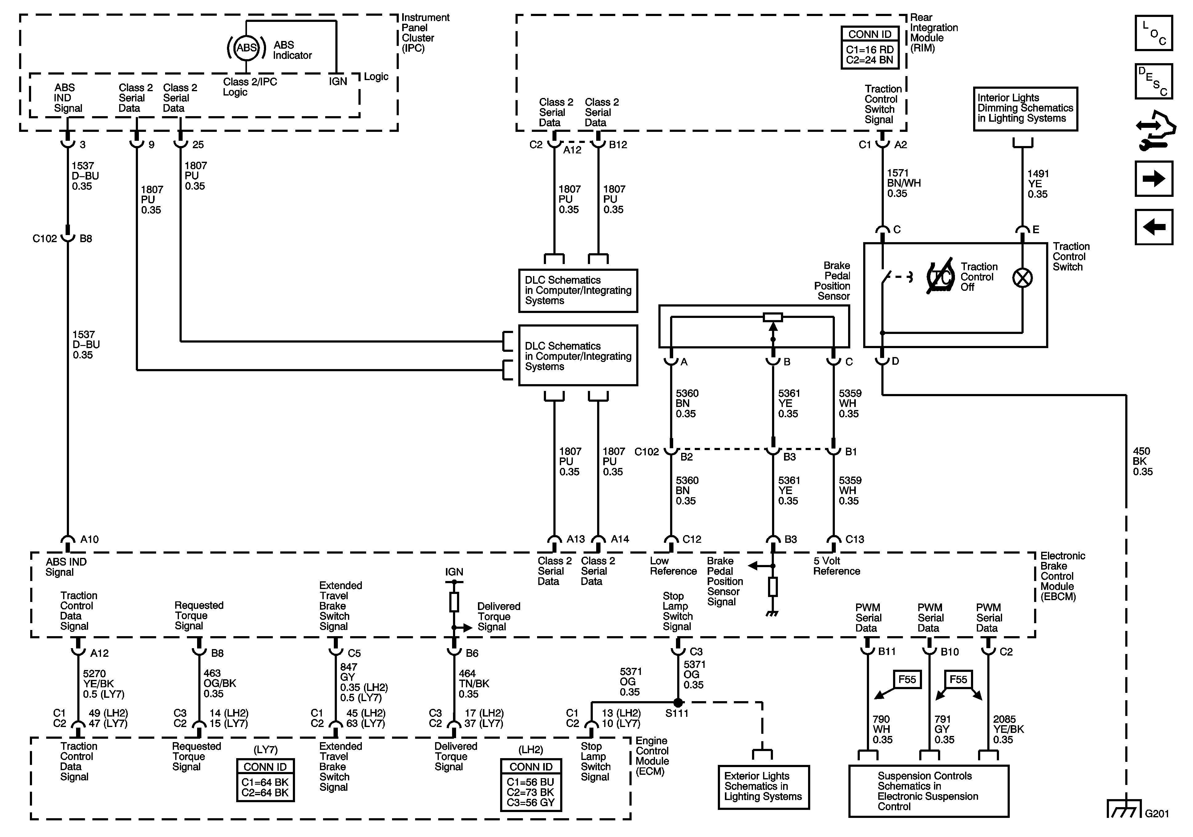
🢒 Indicator,Traction Control, and Brake Pedal Position
Indicator,Traction Control, and Brake Pedal Position
Indicator, Traction Control, and Brake Pedal Position
Master Electrical Component List
ABS Description and Operation
Control Module References
Stability Control System and Brake Fluid Pressure Sensor
Wheel Speed Sensors
Dimming Lamps - 1 of 2
Class 2 Serial Data - 2 of 2
Class 2 Serial Data - 1 of 2
Tail Lamps and Stop Lamps - Domestic
Power, Ground, Serial Data and Controls
G201