GM Service Manual Online
For 1990-2009 cars only
Makes
🢒
Cadillac
🢒
2005
🢒
SRX
🢒 Charging System
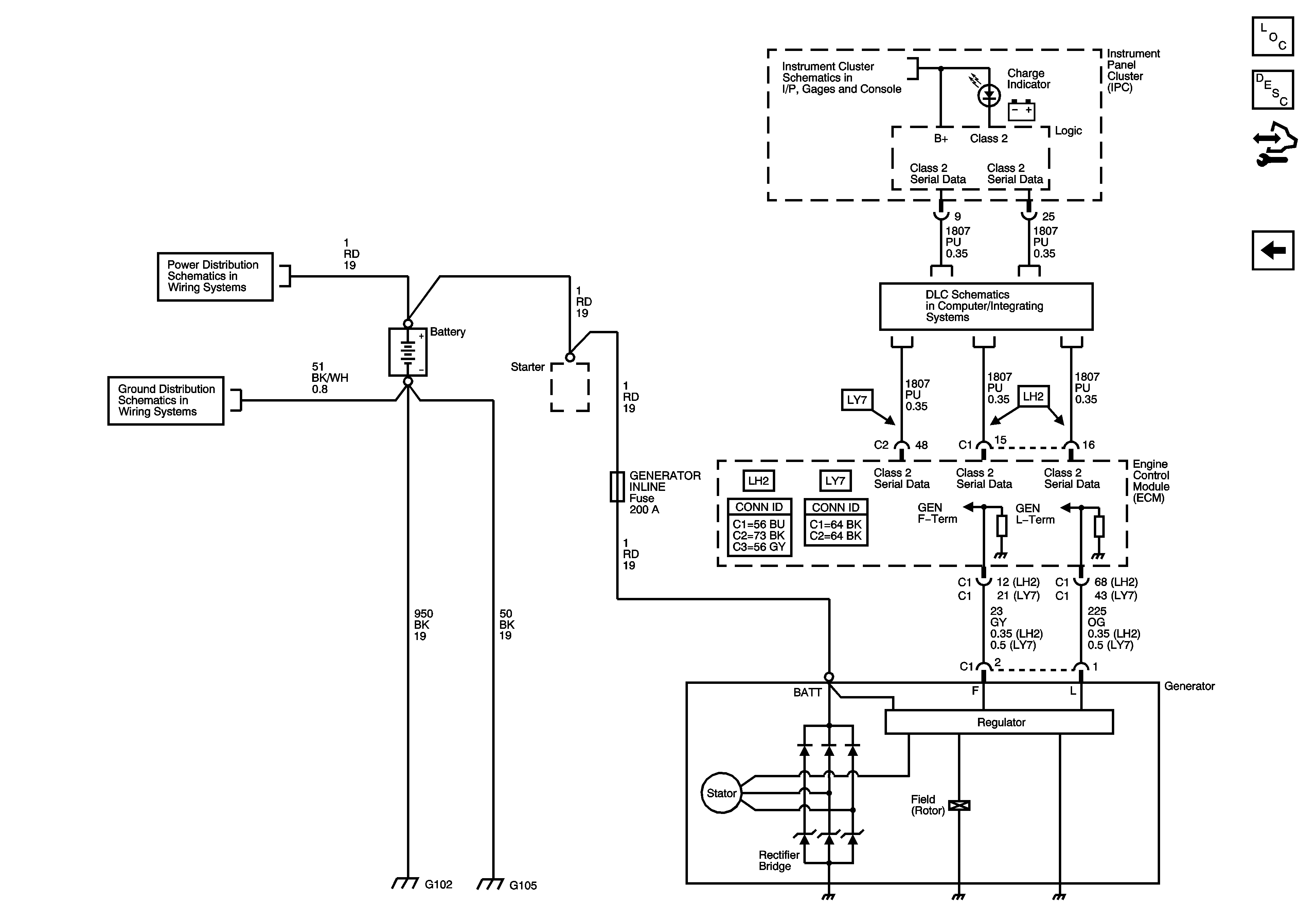
Charging System
Charging System
Master Electrical Component List
Charging System Description and Operation
Control Module References
Starting System
Indicators
Fuse Block - Underhood B+ Bus Schematic
G102, G105, G107, G108, G109, and G110
Class 2 Serial Data - 1 of 2
G102, G105, G107, G108, G109, and G110
G102, G105, G107, G108, G109, and G110